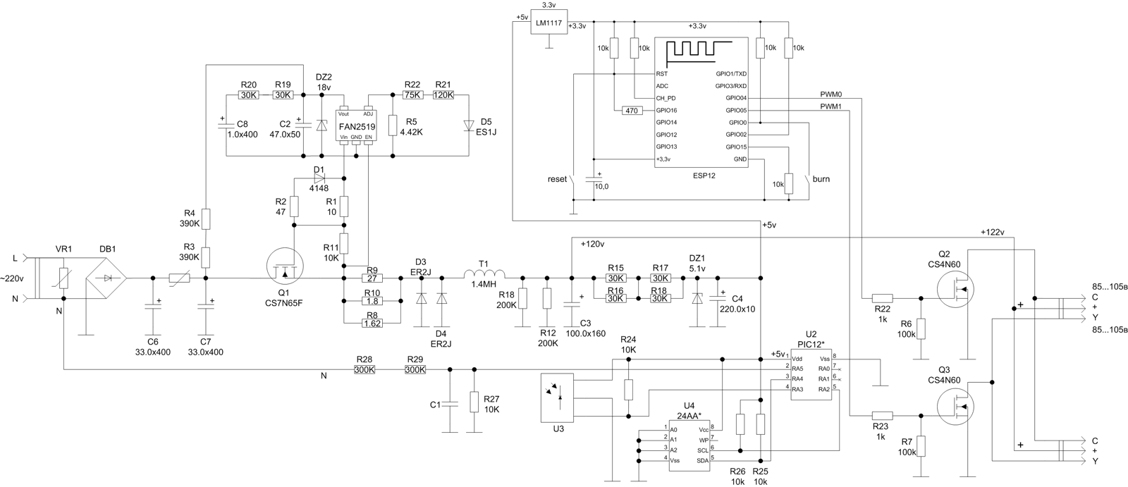
Получил пока промежуточный, но уже работающий, вариант:

- Feron Diamond_Final2.gif (67.4 КБ) 1828 просмотров
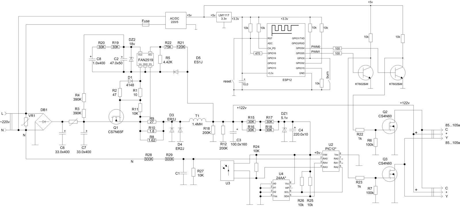
Каскад на транзисторе с общим эмиттером. Сделал из того, что было под рукой. Естественно получил инвертирование сигнала, но самое главное, что желаемый результат был достигнут. ESP8266 управляет яркостью полноценно во всем диапазоне.
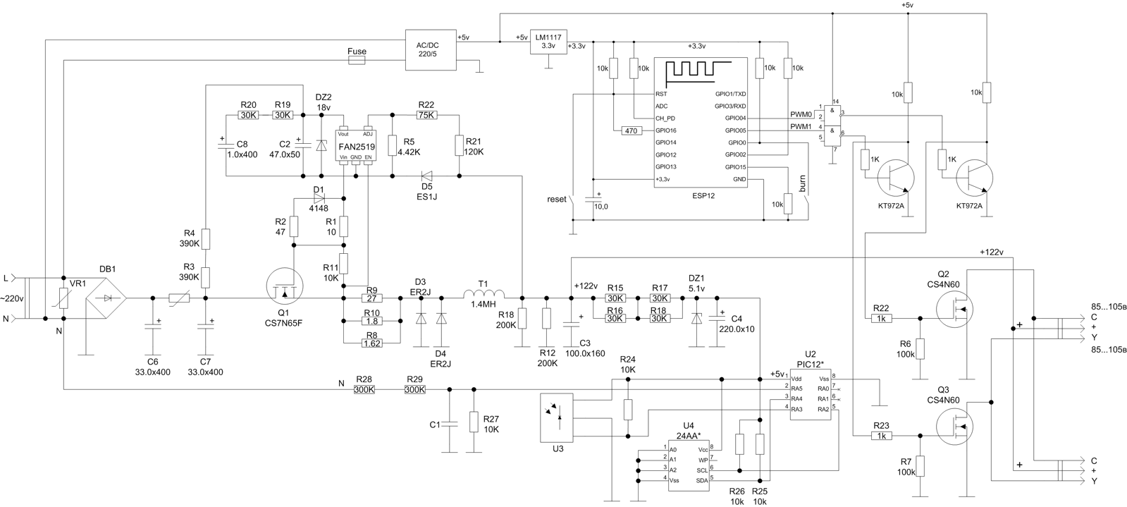
Позже извлек из запасов 155ЛА3, включил из нее 2 элемента сразу на выходе ШИМ с ESP и все встало на свои места (Сигналы инвертировались обратно).

- Feron Diamond_Final33.gif (68.34 КБ) 1807 просмотров
Теперь про частоту ШИМ. В оригинале у этого светильника частота ШИМ была 2,5КГц, на камеру ни каких мерцаний и полос видно не было. Сейчас же, при частоте ШИМа в 500Гц глаз мерцаний не замечает, но через камеру телефона полосы отчетливо видны. Как я не хотел вешать ШИМ с ESP прямо на затворы мосфетов, но другого выхода пока нет. Надо искать вариант подключения внешнего аппаратного сигнала ШИМ.
https://youtu.be/BOTSvYkr2Gk
Еще пара фоток:

- Feron_PWM.jpg (41.32 КБ) 1807 просмотров

- Коте1.jpg (817.27 КБ) 1807 просмотров