MDMSGate

kalina
Сообщения: 180
Зарегистрирован: Пн фев 22, 2016 11:01 pm

MDMSGate

Сообщение kalina »

Всем доброго времени суток!

Хочу начать с хорошей новости - первые 15 гейтов вышли с конвейера))
Как я обещал, создаю отдельный топик для MDMSGate. В данном топике буду вести всё описание проекта - фотки, схемы, алгоритмы, прошивки, тесты и т.д, а также делиться результатами применения.
Фото MDMSGate
MDMSGate_7.jpg
MDMSGate_7.jpg (132.05 КБ) 12368 просмотров
MDMSGate_8.jpg
MDMSGate_8.jpg (119.92 КБ) 12368 просмотров
MDMSGate_6.jpg
MDMSGate_6.jpg (308.77 КБ) 12368 просмотров
Итак, данный гейт разрабатывался для использования совместно с проектами MajorDomo и MySensors и, исходя из этого, базовое ПО (скетч) будет использоваться на базе примера "GatewaySerial" из библиотеки MySensors. На стороне MajorDomo используется модуль MySensor. Также в микроконтроллер гейта будет прошит загрузчик "optiboot", который даст возможность программировать гейт напрямую из Arduino IDE (через USB кабель, программируется как arduino UNO). В дальнейшей перспективе планируется адаптировать загрузчик "dualoptiboot".
В принципе, если рассматривать данный гейт просто как набор микросхем - "железку", то каждый сможет разработать свой собственный скетч, и использовать его исходя из своих нужд.

Теперь пару слов про связь между сервером (MajorDomo) и устройствами (сенсоры и актуаторы). Данный гейт использует один из трех интерфейсов - Ethernet, Wi-Fi или Serial. Правда, если вникнуть немного более глубже, они все сводятся к Serial(UART). Вот привожу рисунок для пояснения:
Interfaces.jpg
Interfaces.jpg (37.19 КБ) 12444 просмотра

Преобразование интерфейсов происходит непосредственно в составных частях гейта. Выбор нужного интерфейса сводится к установке необходимых джамперов. На данный момент есть поддержка интерфейсов Ethernet и USB (который всегда присутствует по умолчанию). Wi-Fi интерфейс требует загрузки (в модуль ESP-12) специальной программы, которая будет производить данное преобразование, простыми словами необходимо пробросить Wi-Fi в UART и обратно. Процесс поиска/разработки такой программы уже идёт (если кто-то может помочь - буду благодарен)) Загрузить данную программу можно будет при помощи USB соединения и соотвествующей установки джамперов (проброска UART микросхемы CP2102 на UART Wi-Fi ). Кстати, микроконтроллер PIC18F67J60, который пробрасывает Ethernet в UART, также использует свою программу, изменить которую можно с помощью программатора PICKit2 или PICKit3.

Теперь пару слов про связь с устройствами, здесь два варианта - либо радиоканал на 433/868 (использование радиомодуля RFM69), либо радиоканал на 2.4ГГц (использование радиомодуля NRF24L01). Первые 15 гейтов выпущены именно с радиоканалом 2.4ГГц. Каждый сможет самостоятельно изменить радиоканал на любой другой, но для этого потребуются определённые навыки пайки. Как это сделать, я расскажу позже. В принципе, я могу поменять его сам непосредственно перед продажей.

Вчера с Иваном протестировали гейт и лайтинг с библиотекой mysensor 2.0 (радиоканал 866 МГц).

Питание гейта осуществляется через microUSB разъём (5V).

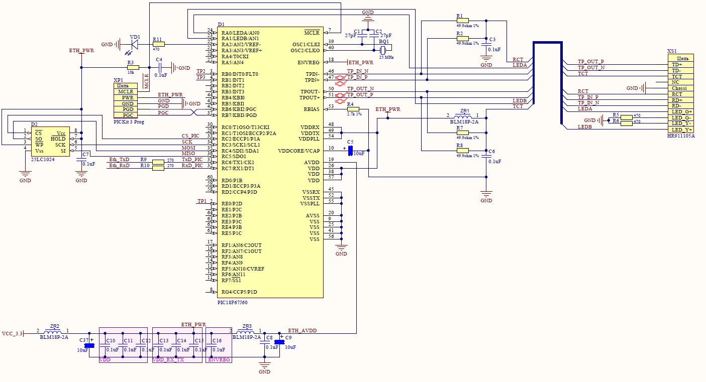
Ниже, для ознакомления с "внутренностями" гейта, привожу схему электрическую принципиальную:
MDMSGate_Scheme_1.jpg
MDMSGate_Scheme_1.jpg (228.64 КБ) 12444 просмотра
MDMSGate_Scheme_2.jpg
MDMSGate_Scheme_2.jpg (204.97 КБ) 12444 просмотра
MDMSGate_Scheme_3.jpg
MDMSGate_Scheme_3.jpg (199.26 КБ) 12444 просмотра
Комплектация:
• Корпус
• Плата с установленными компонентами
• Антенна 2.4ГГц
• Кабель microUSB

Первые 15 гейтов были спаяны с полным, описанным выше, функционалом (за исключением RFM69). В дальнейшем планируется дифференциация в зависимости от необходимого интерфейса (это должно немного снизить цену).
Цена:
  • NRF — ESP = 25$
  • NRF — Ethernet = 30$
  • NRF — ESP+Ethernet = 35$
  • NRF+RFM — ESP+Ethernet = 40$
Спрашивайте другие варианты, добавим

Где можно купить:
  • Украина - писать в личные сообщения kalina


    Конечно, первый пост не вместил всего того, что я хотел бы рассказать -получилось кусками, а это значит, что продолжение следует...))
Последний раз редактировалось kalina Пн авг 05, 2019 1:36 pm, всего редактировалось 2 раза.
Raspberry PI3 + образ 3.31 | MDMSGate | Lighting | LightingX2 | Power | Multisensor
Lewcom
Сообщения: 48
Зарегистрирован: Пн дек 30, 2013 6:37 pm

Re: MDMSGate

Сообщение Lewcom »

Можно ли к нему подцепить
https://ru.aliexpress.com/item/86-1-2-3 ... =200001056
несколько штук, и как то идентифицировать их в MD.
Или есть у вас какие то альтернативные "выключатели"?
gorobey
Сообщения: 50
Зарегистрирован: Чт окт 27, 2016 11:48 am

Re: MDMSGate

Сообщение gorobey »

В этой версии шлюза их не подцепиш. Наш роутер-шлюз их подключает нормально. Я именно такие выключатели проверял. Но они на 315 МГЦ ! Работают хорошо так как диапазон чист.
Аватара пользователя
Gelezako
Сообщения: 963
Зарегистрирован: Чт июн 02, 2016 9:33 pm
Контактная информация:

Re: MDMSGate

Сообщение Gelezako »

что по сути делает ваш гейт? какие задачи он решает? прочитал тему, но так и не понял. Спасибо.
фанат Мажордомо
тематический блог http://blog.gelezako.com
плейлист про Мажордомо на ютубе https://www.youtube.com/playlist?list=P ... EdBGtX084E
Аватара пользователя
lanket
Сообщения: 1168
Зарегистрирован: Вт окт 14, 2014 11:27 pm
Откуда: Санкт-Петербург

Re: MDMSGate

Сообщение lanket »

Gelezako писал(а):что по сути делает ваш гейт? какие задачи он решает? прочитал тему, но так и не понял. Спасибо.
Он выполняет роль шлюза сети MySensors беспроводных сенсоров / актуаторов к МД.

То есть позволяет Можордомо общаться с этими беспроводным датчиками/актуатораими

Отправлено с моего Redmi Note 3 через Tapatalk
Разработка голосового асистента для Мажордомо по любому ключевому слову.
:arrow: Обсужение
:arrow: gitHub 2й версии терминала
:arrow: GitHub модуля для МД
gitHub сырого модуля 2й версии
:arrow: Connect
Rasberry Pi 2, MDM, MySensors. И говорящий апельсин.
serghei
Сообщения: 2575
Зарегистрирован: Пт ноя 06, 2015 10:22 am
Откуда: Кишинёв

Re: MDMSGate

Сообщение serghei »

И это один из возможных вариантов. Если использовать только ЕСП - можно заливать все скетчи,её поддерживающие. Или гонять как ардуину с радио модулями и любыми скетчами (32Кб). Все зависит от фантазии.
AMS : ESP32 + NRF24 + 1Wire-I2C мост DS2482 + счетчик DS2423 + сеть MySensors + редактирование страниц в браузере + Upload по воздуху + SPIFFS
Ivan
Сообщения: 1474
Зарегистрирован: Сб окт 12, 2013 11:03 pm

Re: MDMSGate

Сообщение Ivan »

Добавлен PayPal корзина для заказов в России
Внизу 1 поста
Linux, Raspberry PI, MySensors
Connect: http://connect.smartliving.ru/profile/53
Мои проекты: http://smartliving.ru/profile/4
kalina
Сообщения: 180
Зарегистрирован: Пн фев 22, 2016 11:01 pm

Re: MDMSGate

Сообщение kalina »

lanket писал(а):
Gelezako писал(а):что по сути делает ваш гейт? какие задачи он решает? прочитал тему, но так и не понял. Спасибо.
Он выполняет роль шлюза сети MySensors беспроводных сенсоров / актуаторов к МД.

То есть позволяет Можордомо общаться с этими беспроводным датчиками/актуатораими

Отправлено с моего Redmi Note 3 через Tapatalk
Если вы владеете английским, можете глянуть здесь - "The gateway acts as the glue between your controller and radio network. It translates radio messages to a protocol which can be understood by a controller."

Хотел ещё добавить от себя, что основной идеей, реализованной в данном гейте, есть универсальность. Это означает, что поменяв местами два джампера, вы можете выбрать один из доступных интерфейсов - USB, Ethernet Wi-Fi (только в полностью спаянной версии) для связи с контроллером (MajorDomo). А для связи с актуаторами/сенсорами предусмотрен выбор одного из популярных радиомодулей - NRF24 или RFM69.
Raspberry PI3 + образ 3.31 | MDMSGate | Lighting | LightingX2 | Power | Multisensor
DimSun75
Сообщения: 318
Зарегистрирован: Вс янв 01, 2017 8:32 pm
Откуда: Москва

Re: MDMSGate

Сообщение DimSun75 »

Предложение Вам для будущих версий: на плате столько "мощи" бесполезно пропадает, а к ней даже ни одного датчико напрямую не подключить.
Аватара пользователя
Gelezako
Сообщения: 963
Зарегистрирован: Чт июн 02, 2016 9:33 pm
Контактная информация:

Re: MDMSGate

Сообщение Gelezako »

kalina писал(а):
lanket писал(а):
Gelezako писал(а):что по сути делает ваш гейт? какие задачи он решает? прочитал тему, но так и не понял. Спасибо.
Он выполняет роль шлюза сети MySensors беспроводных сенсоров / актуаторов к МД.

То есть позволяет Можордомо общаться с этими беспроводным датчиками/актуатораими

Отправлено с моего Redmi Note 3 через Tapatalk
Если вы владеете английским, можете глянуть здесь - "The gateway acts as the glue between your controller and radio network. It translates radio messages to a protocol which can be understood by a controller."

Хотел ещё добавить от себя, что основной идеей, реализованной в данном гейте, есть универсальность. Это означает, что поменяв местами два джампера, вы можете выбрать один из доступных интерфейсов - USB, Ethernet Wi-Fi (только в полностью спаянной версии) для связи с контроллером (MajorDomo). А для связи с актуаторами/сенсорами предусмотрен выбор одного из популярных радиомодулей - NRF24 или RFM69.
по ссылке всё тоже самое что вы и тут написали. Жаль только то что вы используете беспроводное соединение с сенсорами. Буду делать ремонт и хотелось бы всё на провода посадить т.к. пока есть такая возможность. Скажите, есть ли возможность используя ваш гейт осуществлять связь во все стороны по проводному соединению? Так же не откажуть от ссылок на более детальное описание про железку. Спасибо.
фанат Мажордомо
тематический блог http://blog.gelezako.com
плейлист про Мажордомо на ютубе https://www.youtube.com/playlist?list=P ... EdBGtX084E
Ответить