BMP180

Подключение исполнительных устройств, датчиков, контроллеров.

Модератор: immortal

Ответить
Ze_side
Сообщения: 12
Зарегистрирован: Чт дек 05, 2013 10:09 am

BMP180

Сообщение Ze_side »

Добрый день,
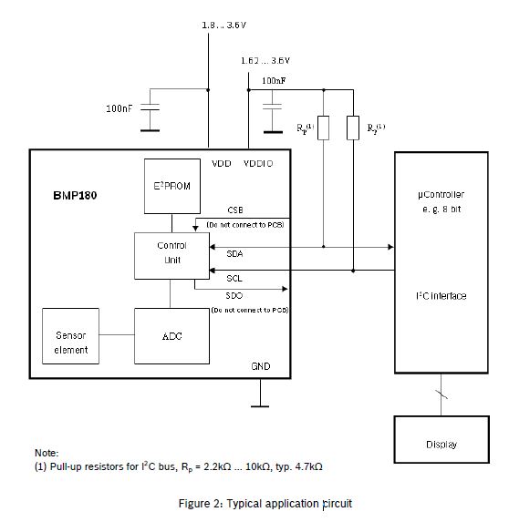
Прошу помочь разобраться с датчиком атмосферного давления. Своей головы пока что не хватает. есть много инструкций по BMP085, но различия всё таки между ними есть.
В жизни на датчике 4 контакта vin,gnd,scl,sda.
на схеме вижу 5 : VDD,VDDIO(???),SDA,SCL,GND
не понимаю, что за VDDIO. И получается,что для подключения обязательно нужен конденсатор?

Прошу прощения за глупые вопросы, все когда-то с них начинал, у меня рядом нет людей, которые в данной области могут подсказать по таким вопросам =)
Вложения
схем из даташит
схем из даташит
Снимок.JPG (37.18 КБ) 6537 просмотров
MaksMS82
Сообщения: 422
Зарегистрирован: Ср сен 05, 2012 7:30 am
Откуда: Киров
Контактная информация:

Re: BMP180

Сообщение MaksMS82 »

А датчик идет в каком виде ? уже распаянный на плате ?
Сам пока жду 180-й , работал только с 085. Думаю этот вывод надо подключать тоже к питанию.
Ze_side
Сообщения: 12
Зарегистрирован: Чт дек 05, 2013 10:09 am

Re: BMP180

Сообщение Ze_side »

Выглядит он так:
Вложения
24918-3.jpg
24918-3.jpg (148.68 КБ) 6441 просмотр
Ze_side
Сообщения: 12
Зарегистрирован: Чт дек 05, 2013 10:09 am

Re: BMP180

Сообщение Ze_side »

Так и не понятно, что это за вывод, его просто нет на плате)
MaksMS82
Сообщения: 422
Зарегистрирован: Ср сен 05, 2012 7:30 am
Откуда: Киров
Контактная информация:

Re: BMP180

Сообщение MaksMS82 »

Там не подписаны выводы ? вот как тут http://www.ebay.com/itm/271453913203
Ze_side
Сообщения: 12
Зарегистрирован: Чт дек 05, 2013 10:09 am

Re: BMP180

Сообщение Ze_side »

я же в верхнем посте отписал)
смутила просто схема из даташита. Подключение у него элементарное .
Отлично всё расписано по следующей ссылке, думаю будет полезно)
https://learn.sparkfun.com/tutorials/bm ... ookup-/all
Ответить