Термостат на базе ESP12-32 в удобном корпусе
Модератор: immortal
-
ANARHIST1984
- Сообщения: 135
- Зарегистрирован: Вс янв 28, 2018 2:08 am
- Откуда: Россия
- Контактная информация:
Re: Термостат на базе ESP12-32 в удобном корпусе
Забрал первые образки из отливки для испытаний
- Вложения
-
- 20181101_234401.jpg (2.14 МБ) 4453 просмотра
-
- 20181101_233738.jpg (2.54 МБ) 4453 просмотра
-
- 20181101_231927.jpg (2.69 МБ) 4453 просмотра
- nick7zmail
- Сообщения: 7573
- Зарегистрирован: Пн окт 28, 2013 8:14 am
- Откуда: Екатеринбург
Re: Термостат на базе ESP12-32 в удобном корпусе
Напомни, экран цветной?
Raspberry Pi3+Broadlink+esp8266 (blynk)+AMS
Если вам помогло какое-либо сообщение - не забывайте пользоваться кнопкой "СПАСИБО".
Услуги в профиле коннект
>>>>>Мой новый канал на ютутбе, подписывайтесь!<<<<<
Если вам помогло какое-либо сообщение - не забывайте пользоваться кнопкой "СПАСИБО".
>>>>>Мой новый канал на ютутбе, подписывайтесь!<<<<<
-
ANARHIST1984
- Сообщения: 135
- Зарегистрирован: Вс янв 28, 2018 2:08 am
- Откуда: Россия
- Контактная информация:
Re: Термостат на базе ESP12-32 в удобном корпусе
Nextion 2.8 дюйма
65к цветов
- nick7zmail
- Сообщения: 7573
- Зарегистрирован: Пн окт 28, 2013 8:14 am
- Откуда: Екатеринбург
Re: Термостат на базе ESP12-32 в удобном корпусе
Если после распродажи 11.11 на али останутся деньги - пожалуй закажу)) А то жена хочет теплые полы.
Raspberry Pi3+Broadlink+esp8266 (blynk)+AMS
Если вам помогло какое-либо сообщение - не забывайте пользоваться кнопкой "СПАСИБО".
Услуги в профиле коннект
>>>>>Мой новый канал на ютутбе, подписывайтесь!<<<<<
Если вам помогло какое-либо сообщение - не забывайте пользоваться кнопкой "СПАСИБО".
>>>>>Мой новый канал на ютутбе, подписывайтесь!<<<<<
-
ANARHIST1984
- Сообщения: 135
- Зарегистрирован: Вс янв 28, 2018 2:08 am
- Откуда: Россия
- Контактная информация:
Re: Термостат на базе ESP12-32 в удобном корпусе
Всем привет
Немного подниму тему о термостате т.к. накопилось много новостей
Начнем с корпуса самого термостата
Нижняя часть корпуса, отлита из полипропилена. В будущем будет специальный пластик который используют для подобных устройств. Верхняя часть.
Отлита из пластика. На фото можно заметить дефекты при отливки. Это последствия недоделанности пресс формы.
Немного подниму тему о термостате т.к. накопилось много новостей
Начнем с корпуса самого термостата
Нижняя часть корпуса, отлита из полипропилена. В будущем будет специальный пластик который используют для подобных устройств. Верхняя часть.
Отлита из пластика. На фото можно заметить дефекты при отливки. Это последствия недоделанности пресс формы.
- nick7zmail
- Сообщения: 7573
- Зарегистрирован: Пн окт 28, 2013 8:14 am
- Откуда: Екатеринбург
Re: Термостат на базе ESP12-32 в удобном корпусе
А можно пару фоток включенного? А то ни разу не видел что там в интерфейсе))
Raspberry Pi3+Broadlink+esp8266 (blynk)+AMS
Если вам помогло какое-либо сообщение - не забывайте пользоваться кнопкой "СПАСИБО".
Услуги в профиле коннект
>>>>>Мой новый канал на ютутбе, подписывайтесь!<<<<<
Если вам помогло какое-либо сообщение - не забывайте пользоваться кнопкой "СПАСИБО".
>>>>>Мой новый канал на ютутбе, подписывайтесь!<<<<<
-
ANARHIST1984
- Сообщения: 135
- Зарегистрирован: Вс янв 28, 2018 2:08 am
- Откуда: Россия
- Контактная информация:
Re: Термостат на базе ESP12-32 в удобном корпусе
Интерфейс монитора кривой и мне пока не хочется его демонстрировать. Как допилю анимацию для него так выложу полноценный видеоролик о работе устройства.nick7zmail писал(а): Сб янв 19, 2019 8:25 pm А можно пару фоток включенного? А то ни разу не видел что там в интерфейсе))
Скоро выложу саму прошивку в открытый доступ. Ее смогут установить на 4мб ЕСП
Так же в планах адаптировать прошивку под 1мб памяти. Например под реле и выключатели сонофф
-
ANARHIST1984
- Сообщения: 135
- Зарегистрирован: Вс янв 28, 2018 2:08 am
- Откуда: Россия
- Контактная информация:
Re: Термостат на базе ESP12-32 в удобном корпусе
ДОполним новости до полноты картины
Мы закончили ядро системы и теперь любой желающий может протестировать прошивку.
На данном этапе прошивка адаптирована под модули ЕСП 12 с 4мб памяти. В скором будущем подготовим прошивку под модули с 1мб памяти, например под реле и выключатели сонофф
Файл прошивки доступен по адресу https://yadi.sk/d/X6Vp_zqrx2K87Q
Прошивка представляет из себя бинарный файл который можно установить в ЕСП через Nodemcu flasher (https://github.com/nodemcu/nodemcu-flasher)
Далее, заходим по ip в вашу ЕСП и у вас откроется режим восстановления прошивки. Если перед установкой прошивки вы очистили память ЕСП и затерли в памяти настройки wi-fi.
В таком случае создается точка доступа с именем Lytko
Подключаемся к ней и заходим по адресу 192.168.4.1
Настраиваем сеть По умолчанию у вас будет введен адрес и не всегда он совпадает с вашей сетью, удалите и введите свое значение. Либо оставьте его пустым.
Нажимаем восстановить и ждем окончания процесса восстановления прошивки до последней версии.
Если по каки либо причинам вам неизвестен ip, открываете сетевое окружение и там вы увидите вашу ЕСП
Данная прошивка адаптирована под работу с теплым полом
RELE1_PIN = 13 - Реле
ONE_WIRE_BUS 2 - датчик температуры
Мы закончили ядро системы и теперь любой желающий может протестировать прошивку.
На данном этапе прошивка адаптирована под модули ЕСП 12 с 4мб памяти. В скором будущем подготовим прошивку под модули с 1мб памяти, например под реле и выключатели сонофф
Файл прошивки доступен по адресу https://yadi.sk/d/X6Vp_zqrx2K87Q
Прошивка представляет из себя бинарный файл который можно установить в ЕСП через Nodemcu flasher (https://github.com/nodemcu/nodemcu-flasher)
Далее, заходим по ip в вашу ЕСП и у вас откроется режим восстановления прошивки. Если перед установкой прошивки вы очистили память ЕСП и затерли в памяти настройки wi-fi.
В таком случае создается точка доступа с именем Lytko
Подключаемся к ней и заходим по адресу 192.168.4.1
Настраиваем сеть По умолчанию у вас будет введен адрес и не всегда он совпадает с вашей сетью, удалите и введите свое значение. Либо оставьте его пустым.
Нажимаем восстановить и ждем окончания процесса восстановления прошивки до последней версии.
Если по каки либо причинам вам неизвестен ip, открываете сетевое окружение и там вы увидите вашу ЕСП
Данная прошивка адаптирована под работу с теплым полом
RELE1_PIN = 13 - Реле
ONE_WIRE_BUS 2 - датчик температуры
- Вложения
-
- Снимок экрана 2019-01-19 в 19.13.44.png (79.28 КБ) 4146 просмотров
-
- Снимок экрана 2019-01-19 в 19.13.19.png (75.26 КБ) 4146 просмотров
Последний раз редактировалось ANARHIST1984 Сб фев 02, 2019 7:06 pm, всего редактировалось 1 раз.
-
ANARHIST1984
- Сообщения: 135
- Зарегистрирован: Вс янв 28, 2018 2:08 am
- Откуда: Россия
- Контактная информация:
Re: Термостат на базе ESP12-32 в удобном корпусе
Теплый пол был выбран для демонстрации стабильности ядра.
В ядро встроено
Протоколы
MQTT, MySensor
Вывод погоды на странице управления. НА данном этапе погода только по городам, в одном из будущих обновлений погода будет определяться автоматически по координатам точки доступа.
Централизованная система обновления позволяет обновлять все устройства разом с выводом прогресса
В ядро встроено
Протоколы
MQTT, MySensor
Вывод погоды на странице управления. НА данном этапе погода только по городам, в одном из будущих обновлений погода будет определяться автоматически по координатам точки доступа.
Централизованная система обновления позволяет обновлять все устройства разом с выводом прогресса
-
ANARHIST1984
- Сообщения: 135
- Зарегистрирован: Вс янв 28, 2018 2:08 am
- Откуда: Россия
- Контактная информация:
Re: Термостат на базе ESP12-32 в удобном корпусе
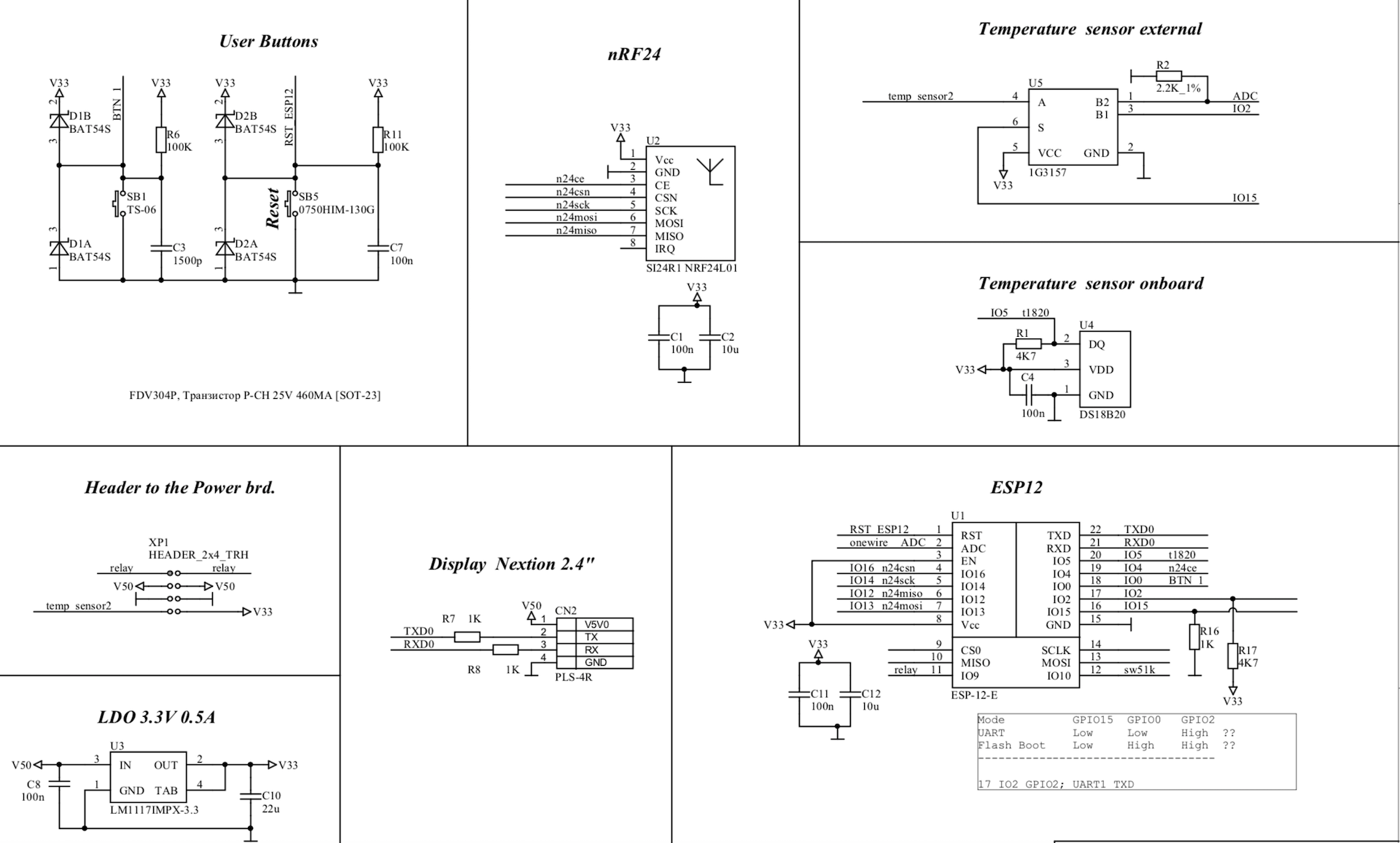
Поделюсь схемой, она не окончательна но должна раскрыть часть вопросов. Так же в ней существуют ошибки которые уже устранены.
- Вложения
-
- Снимок экрана 2019-01-27 в 9.52.09.png (395.17 КБ) 4049 просмотров