Программный мультирум
Модератор: immortal
Re: Программный мультирум
Да разве ж это большая длина? Кабель я использовал итальянский от компании Bespeco. Он предназначен именно для акустических систем. Мощность ведь не большая и сечение кабеля достаточное, соответственно потери на длине не велики.
CubieBoard A10 - основной сервер Majordomo
Raspberry Pi - цифровая мини АТС ASTERISK
Arduino - блок управления реле, электросчетчик, счетчики воды, управление вентиляционной системой, СКУД.
Raspberry Pi - цифровая мини АТС ASTERISK
Arduino - блок управления реле, электросчетчик, счетчики воды, управление вентиляционной системой, СКУД.
Re: Программный мультирум
а как релюшками звук отсекаете?
4 релюхи на одну зону? или у вас сразу усилитель интелектуальный?
4 релюхи на одну зону? или у вас сразу усилитель интелектуальный?
Re: Программный мультирум
Я ж писал выше - усилитель самодельный на 5 зон. То есть 5 усилителей с общим блоком питания. По входам этих 5-ти усилителей стоят интегральные регуляторы громкости (микшеры) управляемые по i2c. Всего у каждого усилителя имеется 5 микшируемых входов. Тоесть если бы у меня было 5 источников сигнала, в каждую зону я мог бы вывести любой из них в любом микшерном сочетании по громкости. Да хоть все пять сигналов одновременно. Делалось все это под звуковую карту 5.1. Мне осталось только решить программный вопрос вывода звука от 5 программ плееров, от каждого в свой канал звуковой платы.Wave писал(а):а как релюшками звук отсекаете?
4 релюхи на одну зону? или у вас сразу усилитель интелектуальный?
CubieBoard A10 - основной сервер Majordomo
Raspberry Pi - цифровая мини АТС ASTERISK
Arduino - блок управления реле, электросчетчик, счетчики воды, управление вентиляционной системой, СКУД.
Raspberry Pi - цифровая мини АТС ASTERISK
Arduino - блок управления реле, электросчетчик, счетчики воды, управление вентиляционной системой, СКУД.
Re: Программный мультирум
блин. а может вы и схемой усилителя поделитесь? хочу себе такую же схему
а как i2c с ПК связали? (сори за ламерские вопросы)
а как i2c с ПК связали? (сори за ламерские вопросы)
-
dimitrystd
- Сообщения: 80
- Зарегистрирован: Пн апр 01, 2013 10:20 pm
- Откуда: Днепропетровск
Re: Программный мультирум
Ох чёрт. Я так надеялся что в конце ремонта куплю планшеты которые будут работать по принципу wifi radio и получится организовать мультирум. Вот типа http://www.sonos.com/, только попроще.Snark писал(а):Первый вариант приведет к неравномерным задержкам при проигрывании звука. Человеческое ухо способно различать малейшие искажения, и разница в 10-20 мс уже будет резать слух. Именно поэтому существующие беспроводные мультирумы работают по своему собственному протоколу, и, увы, весьма дороги...
Вопрос наверное для форума Железо, но никто не видел в китайских магазинах девайсов типа sonos?
Re: Программный мультирум
sonos дорого
можем создать и андроид радио. все таки, я верю, что мой первый способ должен полностью удовлетворить ваши желания =)
на днях поэксперементирую на андроид планшете.
Чем лучше всего вещать в сеть?
По какому принципу Алиса говорит? голосовой движок вещает в колонки через аудио выход?
можем создать и андроид радио. все таки, я верю, что мой первый способ должен полностью удовлетворить ваши желания =)
на днях поэксперементирую на андроид планшете.
Чем лучше всего вещать в сеть?
По какому принципу Алиса говорит? голосовой движок вещает в колонки через аудио выход?
Re: Программный мультирум
Схемы полной в принципе нет, так как делалось все на коленке. Там все было сделано практически по даташитам от используемых микросхем. В качестве УНЧ были использованы готовые платы усилителей (типа конструкторов) купленные на радиорынке. Вечером буду дома, найду что там использовал и постараюсь примерно объяснить как и что. Управление по i2c было сделано на arduino, а уже она была связана с компом по RS232.Wave писал(а):блин. а может вы и схемой усилителя поделитесь? хочу себе такую же схему
а как i2c с ПК связали? (сори за ламерские вопросы)
UPD:
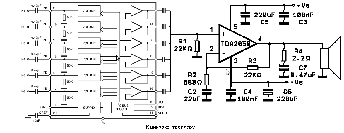
Вот порылся в сохраненных ссылках и вспомнил что в качестве регуляторов громкости использовались микросхемы TDA7448. Они имеют 6 независимых регуляторов громкости управляемых по i2c. В итоге на входы подается сигнал от 6 источников, выходы соединены вместе и с них сигнал поступает на УНЧ собранный на TDA2050. Как я уже говорил были куплены собранные платки УНЧ. Унас на местном радиорынке много таких вариантов продается. В итоге получается 6-ти канальный микшер с усилителем для одной точки звучания. Таких комплектов нужно столько, сколько нужно точек. Управляется все с мкроконтроллера. Кстати, я перепутал, это был не Ардуино, а просто ATMEGA328 (ну это ж почти Аруино УНО), но эксперименты проводились на Ардуино а после уже написали прошивку для микроконтроллера. Жаль она не сохранилась - выложил бы здесь. Помню что что то там не получалось с адресацией нескольких TDA7448 на одной шине, но с помощью каких то костылей мы эту проблему решили.
Вот накидал примерную схемку.
- Вложения
-
- Без имени.png (72.66 КБ) 15423 просмотра
CubieBoard A10 - основной сервер Majordomo
Raspberry Pi - цифровая мини АТС ASTERISK
Arduino - блок управления реле, электросчетчик, счетчики воды, управление вентиляционной системой, СКУД.
Raspberry Pi - цифровая мини АТС ASTERISK
Arduino - блок управления реле, электросчетчик, счетчики воды, управление вентиляционной системой, СКУД.
Re: Программный мультирум
Кстати, сегодня ехал в машине нашел еще один плюс первой схемы.
в машине на андроид планшете установлена программа tablettalk
программа спарена с телефоном по ви-фи
в момент звонка, программа выводит на экран фото звонящего, кнопки ответа и сброса, а также приглушает звук.
Моделируем на нашу систему. На стене висит планшет с андроидом, он принимает аудио поток с сервера и выводит на колонки. телефон хозяина комнаты "где-то валяется". происходит входящий вызов. Музыка в комнате замолкает и человек никогда не пропустит звонок.
причем музыка замолкает только в его комнате, а не во всей квартире
имхо удобно.
-----------------------------------------------------
только, как при такой схеме заставить Алису вещать на мультикаст поток? СЕРВЕР ЖЕ ПО КЛАСИКИ ВЫДАЕТ ЗВУК НА ОБЫЧНЫЙ АУДИО ДЖЕК?
в машине на андроид планшете установлена программа tablettalk
программа спарена с телефоном по ви-фи
в момент звонка, программа выводит на экран фото звонящего, кнопки ответа и сброса, а также приглушает звук.
Моделируем на нашу систему. На стене висит планшет с андроидом, он принимает аудио поток с сервера и выводит на колонки. телефон хозяина комнаты "где-то валяется". происходит входящий вызов. Музыка в комнате замолкает и человек никогда не пропустит звонок.
причем музыка замолкает только в его комнате, а не во всей квартире
имхо удобно.
-----------------------------------------------------
только, как при такой схеме заставить Алису вещать на мультикаст поток? СЕРВЕР ЖЕ ПО КЛАСИКИ ВЫДАЕТ ЗВУК НА ОБЫЧНЫЙ АУДИО ДЖЕК?
Re: Программный мультирум
Еще вопросик:
а никто не знает, есть ли возможность выдать один звуковой поток на несколько звуковых карт?
у меня например в системе ТВ подключен по ХДМИ - встроенный звуковой чип в видеокарту
музыкальный центр по оптике (цифровой выход)
а колонки на кухне и в ванной по аналоговым выходам звуковухи
тоесть, реально, это 3 разные звуковые карты. в любом приложении, например винаме, можно выбрать только одну звуковую карту, но никак не три.
Как выйти из ситуации?
------------
Может можно создать виртуальное аудио устройство, которое объединит все три?
а никто не знает, есть ли возможность выдать один звуковой поток на несколько звуковых карт?
у меня например в системе ТВ подключен по ХДМИ - встроенный звуковой чип в видеокарту
музыкальный центр по оптике (цифровой выход)
а колонки на кухне и в ванной по аналоговым выходам звуковухи
тоесть, реально, это 3 разные звуковые карты. в любом приложении, например винаме, можно выбрать только одну звуковую карту, но никак не три.
Как выйти из ситуации?
------------
Может можно создать виртуальное аудио устройство, которое объединит все три?
Re: Программный мультирум
Вот на счет виртуальных звуковух, и вывода потоков на разные устройства у меня и затык. При чем что в виндах что в линуксах.
CubieBoard A10 - основной сервер Majordomo
Raspberry Pi - цифровая мини АТС ASTERISK
Arduino - блок управления реле, электросчетчик, счетчики воды, управление вентиляционной системой, СКУД.
Raspberry Pi - цифровая мини АТС ASTERISK
Arduino - блок управления реле, электросчетчик, счетчики воды, управление вентиляционной системой, СКУД.