Выключатель

Подключение исполнительных устройств, датчиков, контроллеров.

Модератор: immortal

SolarW
Сообщения: 179
Зарегистрирован: Вс июл 31, 2016 11:24 pm

Re: Выключатель

Сообщение SolarW »

lanket писал(а):
slgeo писал(а):Ссылка нерабочая
Блин, в тапаталке нормально не скопировать ссылку.
Да ладно?
Изображение
В меню пункт "Копировать адрес" дает ссылку в буфер обмена в чистом виде
viewtopic.php?t=3036 - вот к примеру полученная таким образом ссылка на эту тему

P.S. Пишу из тапка на редми ноте 2
directman66
Сообщения: 2799
Зарегистрирован: Пн дек 26, 2016 9:51 am
Откуда: Екатеринбург
Контактная информация:

Re: Выключатель

Сообщение directman66 »

Как вариант, попробовать liion 18650 или их уменьшенный аналог, не нужно будет городить БП для питания платы,контроллер заряда на него занимает очень мало места. Заряжать во время включения света. Срок службы таких батарей конечно не сильно большой, но цена впринципе ей и соответствует.

Отправлено с моего Redmi Note 3 через Tapatalk
Если вам помогло данное сообщение, не поленитесь нажать кнопку "спасибо".
CONNECT | Оборудование | Блог | Дополнения | Email | Telegram
Аватара пользователя
tarasfrompir
Сообщения: 3216
Зарегистрирован: Ср мар 02, 2016 8:18 pm
Откуда: Украина Пирятин

Re: Выключатель

Сообщение tarasfrompir »

Щас уже сфантазировал по поводу выключателя так
БП - конденсаторный микроразмер для постоянной подзарядки (левая часть платы)
после него акум у меня Байлонг ЛИ ИОН 14500 по 25 грн. влазит в коробку от выключателя по центру... (центр платы)
под платой сам модуль ЕСП а с другого края симистор через оптопару на включение света (правая часть платы)
вроде все влазит испытал на макетке работает (без симистора пробовал, работает вроде) ... Думаю симистор прилепить пока без радиатора (да и не нужен он на 20 ватах светодиодной лампочки).
Включатель будет как основной включатель - но будет подавать команду только на есп 8266 а та уже будет включать или выключать свет.
и 2 вариант отправки - командой от мажордома на есп8266 по вафле...

Пока забросил весна пришла - жена за ремонт в доме наклоняет...
Спасибо нам ПОМОЖЕТ..!
ki_dix
Сообщения: 6
Зарегистрирован: Чт янв 26, 2017 7:28 am

Re: Выключатель

Сообщение ki_dix »

Посмотрите те, кто разбирается в железе. Это внутренности выключателя SESOO. Устанавливается вместо обычного в разрыв фазы. Аккумулятора я здесь не вижу.
SPOILERSPOILER_SHOW
27-03-2017 23-09-17.png
27-03-2017 23-09-17.png (434.6 КБ) 7615 просмотров
Аватара пользователя
slgeo
Сообщения: 551
Зарегистрирован: Чт фев 05, 2015 2:35 pm
Откуда: РнД

Re: Выключатель

Сообщение slgeo »

tarasfrompir1 писал(а): и 2 вариант отправки - командой от мажордома на есп8266 по вафле...
ESP не вариант от слова совсем, поскольку быстро "съест" всю вашу батарейку. И как заряжать от одной фазы совсем непонятно.
Raspberry Pi2 Model B + NRF24L01 (MySensors) + 1-Wire + Esp8266 (WiFi-IoT)
CONNECT
Аватара пользователя
nick7zmail
Сообщения: 7573
Зарегистрирован: Пн окт 28, 2013 8:14 am
Откуда: Екатеринбург

Re: Выключатель

Сообщение nick7zmail »

Просто оставлю это тут viewtopic.php?p=49292#p49292 ))
Raspberry Pi3+Broadlink+esp8266 (blynk)+AMS
Если вам помогло какое-либо сообщение - не забывайте пользоваться кнопкой "СПАСИБО".
:arrow: Услуги в профиле коннект
>>>>>Мой новый канал на ютутбе, подписывайтесь!<<<<<
Аватара пользователя
tarasfrompir
Сообщения: 3216
Зарегистрирован: Ср мар 02, 2016 8:18 pm
Откуда: Украина Пирятин

Re: Выключатель

Сообщение tarasfrompir »

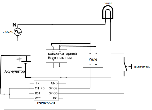
Изображение
Вот примерный вариант исполнения выключателя
блок питания конденсаторный с диодным мостом.
Акумулятор ли-ион 3,7 в.
ну и реле хоть и на симисторе с оптопарой...
лампочка не светит во время заряда акумулятора (ПРОВЕРЕНО)
КАК вам такой вариант .... ?

Главное - не нужно питание отдельно тянуть к ЕСП - будет брать или от акума ( в включеном состоянии) или от блока питания и одновременно заряжается акумулятор... (в выключеном состоянии)
Вложения
eb87408f0f4743d986dbe39f4abe02b3.png
eb87408f0f4743d986dbe39f4abe02b3.png (17.83 КБ) 7367 просмотров
Последний раз редактировалось tarasfrompir Пн апр 10, 2017 8:33 pm, всего редактировалось 4 раза.
Спасибо нам ПОМОЖЕТ..!
Sas
Сообщения: 207
Зарегистрирован: Вт июл 12, 2016 6:16 pm

Re: Выключатель

Сообщение Sas »

А где зарядка акка? А что будет если лампа диодная?
Аватара пользователя
tarasfrompir
Сообщения: 3216
Зарегистрирован: Ср мар 02, 2016 8:18 pm
Откуда: Украина Пирятин

Re: Выключатель

Сообщение tarasfrompir »

Фух .. С вопросами сразу в тупик загнали....
Нашел свой б/п спаяный (конденсаторный)... проверил...
ЕСТЬ недочеты
Изменил на такой вариант
Проверил -- работает как часы лампочка не моргает причем ЛЮБАЯ...
и зарядку дает....
исправил свой предыдущий пост
Вложения
shema-bestransformatornogo-istochnika-pitanija-300x145.jpg
shema-bestransformatornogo-istochnika-pitanija-300x145.jpg (11.02 КБ) 7417 просмотров
Спасибо нам ПОМОЖЕТ..!
Аватара пользователя
tarasfrompir
Сообщения: 3216
Зарегистрирован: Ср мар 02, 2016 8:18 pm
Откуда: Украина Пирятин

Re: Выключатель

Сообщение tarasfrompir »

ki_dix писал(а):Посмотрите те, кто разбирается в железе. Это внутренности выключателя SESOO. Устанавливается вместо обычного в разрыв фазы. Аккумулятора я здесь не вижу.
SPOILERSPOILER_SHOW
27-03-2017%2023-09-17.png
http://we.easyelectronics.ru/Shematech/ ... ivolo.html вот здесь оно вроде как расписано-
Спасибо нам ПОМОЖЕТ..!
Ответить