Страница 1 из 9
Выключатель
Добавлено: Пт июн 24, 2016 4:03 pm
Максим Николаевич
Вопрос покажется глупым и вроде бы уже не раз поднимался в различных форумах. Но все же хочется услышать один исчерпывающий ответ, а не собирать все по крупицам.
Итак. Имеется: сдвоенный выключатель люстры с 6 лампочками; выключатель работает на 4 и 2 лампочки.
Также в наличие модули esp8266 с прошивкой от
https://wifi-iot.com/
Что хочется:
1. управлять включением выключением лампочек как с выключателя, так и по Wi-Fi через esp8266;
2. отслеживание состояния (вкл, выкл) в MajorDoMo
Теперь несколько вопрос:
1. как к выключателю прикрутить esp8266;
2. какие функции необходимо выбрать в конструкторе
Также хотелось бы все необходимые доработки спрятать либо в выключатель (подрозетник) либо в чашку люстры.
Re: Выключатель
Добавлено: Пт июн 24, 2016 6:43 pm
sega6549
Максим Николаевич писал(а):Вопрос покажется глупым и вроде бы уже не раз поднимался в различных форумах. Но все же хочется услышать один исчерпывающий ответ, а не собирать все по крупицам.
Итак. Имеется: сдвоенный выключатель люстры с 6 лампочками; выключатель работает на 4 и 2 лампочки.
Также в наличие модули esp8266 с прошивкой от
https://wifi-iot.com/
Что хочется:
1. управлять включением выключением лампочек как с выключателя, так и по Wi-Fi через esp8266;
2. отслеживание состояния (вкл, выкл) в MajorDoMo
Теперь несколько вопрос:
1. как к выключателю прикрутить esp8266;
2. какие функции необходимо выбрать в конструкторе
Также хотелось бы все необходимые доработки спрятать либо в выключатель (подрозетник) либо в чашку люстры.
незнаю видел или нет, вот видео как раз на эту тему,
https://www.youtube.com/watch?v=E3ncswHvhFo только вместо кондера поставь лучше резистор на 10 кОм и не на землю как кнопка а на +3,3 вольта, вместо светодиода реле твердотельное я взял, и управляю люстрой, так можно и 2 канала сделать, все это дело у меня спрятано в люстре под цоколем
Re: Выключатель
Добавлено: Сб июн 25, 2016 3:14 pm
akouz
Безграмотное видео. Последовательно с выключателем надо ставить резистор, хотя бы 100 Ом.
Re: Выключатель
Добавлено: Пн июн 27, 2016 11:15 am
Максим Николаевич
За видео огромное спасибо. Но все же ничего не ясно.
Вот обычный выключатель в обычной квартире:

- 20160627_095144.jpg (190.39 КБ) 15584 просмотра
Куда подключить esp8266? Куда поставить реле? Как сделать параллельное управление светом (через физический выключатель и через MajorDoMo)? Огромная просьба не пинать. И если можно с примерами?
Re: Выключатель
Добавлено: Пн июн 27, 2016 12:34 pm
nick7zmail
Максим Николаевич писал(а):
Куда подключить esp8266? Куда поставить реле? Как сделать параллельное управление светом (через физический выключатель и через MajorDoMo)? Огромная просьба не пинать. И если можно с примерами?
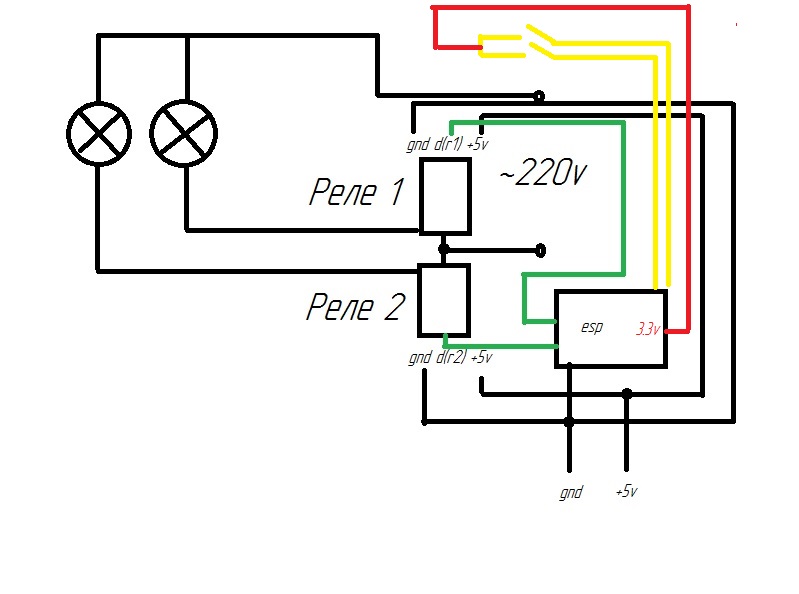
Накидал схемку в паинте)) Сори за мои корявые ручки...и про цветовую кодировку только в конце догадался))...так вот....В идеале бы подключить вот так.

- 1.jpg (58.52 КБ) 15570 просмотров
(желтые/зеленые провода - к цифровым пинам esp)
При таком подключении можно будет контролировать включение/выключение с сервера вне зависимости от положения выключателей, и наоборот - включать/выключать вне зависимости от того, что было выставлено на сервере - на сервере будут всегда актуальные состояния выключателей. Естественно нужен минимальный обвес резисторами esp, подтягивающие резисторы на цифровые входы, и как минимум оптопары на выключатели - для более стабильной работы, как мне рекомендовали в теме про ESP.
По программной части - это уже наверное к Максиму...
По идее нужно запустить цикл проверки состояния выключателей - и при переключении с сервера - менять действительное значение, а при включении с выключателей - сравнивать текущее с действительным, и при необходимости переключать реле, затем приравнивать действительное значение к текущему. Возможно предложение немного невнятное, в Arduino коде легко могу показать как это выглядит. В HomesSmart - честно - не знаю.
Re: Выключатель
Добавлено: Пн июн 27, 2016 12:56 pm
Максим Николаевич
Спасибо огромное за подробную схему. Теперь все встало на свои места.
Только вот как это все встроить в реальные условия? Видимо расковыривать весь выключатель, ставить боооольшую монтажную коробку и тогда будет всем счастье. А еще видимо выключатели надо менять на возвратные. Или все же нет?
Re: Выключатель
Добавлено: Пн июн 27, 2016 1:00 pm
nick7zmail
Данную схему как раз расчитывал на обычные (не возвратные) выключатели. Если быть точным - то вот на такие
как тут. Все условия включения/выключения пишутся в прошивке (пример ардуино кода приведен там же). А 2релюшки + есп вполне влезут в стандартную коробку. С выключателя можно снять керамическую (и другие изолирующие) части, т.к. Там останется только слаботочная цепь. 220 будет только на реле.
Можно перенести реле в люстру, но тогда туда нужно будет тащить управляющие провода (не силовые) с выключателя, а разрыв фазы в коробке выключателя просто замкнуть, чтобы до люстры доходило 220.
Отправлено с моего Xperia Z через Tapatalk
Re: Выключатель
Добавлено: Пн июн 27, 2016 2:32 pm
Максим Николаевич
Спасибо. Будем пробовать. Релюшки уже заказал, а остальное все есть. Правда реализовывать буду с прошивкой от Максима, но там вроде ничего хитрого.
Отправлено депешей с гонцом по имени Тапаталк.
Re: Выключатель
Добавлено: Пн июн 27, 2016 11:59 pm
nightwind
только где вязть питание для есп? там только фазный провод и два на лампочки
Re: Выключатель
Добавлено: Вт июн 28, 2016 5:31 am
nick7zmail
nightwind писал(а):только где вязть питание для есп? там только фазный провод и два на лампочки
А вот это уже хороший вопрос...всегда вызывает проблемы. Сам еще не определился с идеальным вариантом... во всех есть минусы. Из вариантов могу предложить:
- батарейку (тут очень внимательно с прошивкой, чтобы много не потребляла...при должной настройке 2х пальчиковых на пару лет должно хватить)
- электронный трансформатор прямо в нише выключателя (тут без расширения ниши не обойтись...на алиэкспрессе их полно, фирма - hilink...заказывал себе такой для светодиодной ленты 220-12, на выходе уже постоянка)
- выносной блок питания (не сказал бы что будет этстэтично смотреться, но нишу переделывать не придется)
Отправлено с моего Xperia Z через Tapatalk