Хаб для датчиков

Подключение исполнительных устройств, датчиков, контроллеров.

Модератор: immortal

akouz
Сообщения: 254
Зарегистрирован: Ср июл 09, 2014 3:48 pm

Re: Хаб для датчиков

Сообщение akouz »

xKLx писал(а): 1. Как сделать такую подтяжку с дискретным выходом
2. Нужно на каждый выход вешать подтягивающий резистор?
3. Какие номиналы резисторов нужны?
4. А как насчет стабилизации напряжения на датчиках?
1. Поставить резисторы между дискретным выходом Ардуино и теми контактами разъемов, которые уходят к датчикам. Можно еще джампер поставить последовательно с каждым резистором, чтобы можно было его отключать для тех входов, где подтяжка не нужна.
2. На один выход Ардуино можно навесить много резисторов, нагрузочная способность выхода это позволяет.
3. Например, такие же, какие стоят в пресловутом модуле YL-38, то есть, 10к.
4. "Стабилизация напряжения" там не просто не нужна, а вредна. Без стабилизации Ардуино будет делать ратиометрические измерения, т.е. мерять сопротивление датчика относительно резистора подтяжки. А стоит ввести стабилизацию, как сразу в результатах измерения появится дополнительная погрешность, связанная с неодинаковостью напряжения подтяжки и напряжения питания Ардуино, которое является опорным для АЦП.
xKLx
Сообщения: 22
Зарегистрирован: Вт авг 25, 2015 1:46 pm

Re: Хаб для датчиков

Сообщение xKLx »

akouz писал(а):
xKLx писал(а): 1. Как сделать такую подтяжку с дискретным выходом
2. Нужно на каждый выход вешать подтягивающий резистор?
3. Какие номиналы резисторов нужны?
4. А как насчет стабилизации напряжения на датчиках?
1. Поставить резисторы между дискретным выходом Ардуино и теми контактами разъемов, которые уходят к датчикам. Можно еще джампер поставить последовательно с каждым резистором, чтобы можно было его отключать для тех входов, где подтяжка не нужна.
2. На один выход Ардуино можно навесить много резисторов, нагрузочная способность выхода это позволяет.
3. Например, такие же, какие стоят в пресловутом модуле YL-38, то есть, 10к.
4. "Стабилизация напряжения" там не просто не нужна, а вредна. Без стабилизации Ардуино будет делать ратиометрические измерения, т.е. мерять сопротивление датчика относительно резистора подтяжки. А стоит ввести стабилизацию, как сразу в результатах измерения появится дополнительная погрешность, связанная с неодинаковостью напряжения подтяжки и напряжения питания Ардуино, которое является опорным для АЦП.
1. Не совсем понятен смысл =(
"между дискретным выходом Ардуино и теми контактами разъемов, которые уходят к датчикам" к датчикам от хаба идет 3 контакта Vcc Gnd Analog.
от ардуино провести ещё 1 провод подключенный к цифровому выходу это понятно, подвести линию к 8 разъёмам и поставить джампер для ручного отключения(тогда ведь питание будет всегда на датчике?) подтяжки это тоже ясно, но как быть дальше и к какому контакту разъёма.
akouz
Сообщения: 254
Зарегистрирован: Ср июл 09, 2014 3:48 pm

Re: Хаб для датчиков

Сообщение akouz »

xKLx писал(а): к датчикам от хаба идет 3 контакта Vcc Gnd Analog.
Разве у этих датчиков 3 контакта? Зачем им Vcc? По-моему у них только 2 контакта. Значит, к ним идет всего 2 провода: Gnd и аналоговый вход с подтяжкой.
xKLx писал(а): подвести линию к 8 разъёмам и поставить джампер для ручного отключения(тогда ведь питание будет всегда на датчике?) подтяжки это тоже ясно, но как быть дальше и к какому контакту разъёма.
Не "джампер", а "джамперы", множественное число. Последовательно с каждым резистором подтяжки свой джампер.

Подтяжка нужна сигнальному контакту, естественно. Не землю же подтягивать.

Мне непонятно, что вам непонятно. Казалось бы, куда уж проще-то:
analog_hub.png
analog_hub.png (55.72 КБ) 5990 просмотров
Мультиплексор, пожалуй, лучше взять 74HC4051.
xKLx
Сообщения: 22
Зарегистрирован: Вт авг 25, 2015 1:46 pm

Re: Хаб для датчиков

Сообщение xKLx »

akouz писал(а):
xKLx писал(а): к датчикам от хаба идет 3 контакта Vcc Gnd Analog.
Разве у этих датчиков 3 контакта? Зачем им Vcc? По-моему у них только 2 контакта. Значит, к ним идет всего 2 провода: Gnd и аналоговый вход с подтяжкой.
Вот тут я и понял в чём затупливал, т.е мы через цифровой выход будет давать питание, гениально!
Хм это получается таким образом можно будет подключить и тот же самый DH11 и подобные?
akouz
Сообщения: 254
Зарегистрирован: Ср июл 09, 2014 3:48 pm

Re: Хаб для датчиков

Сообщение akouz »

xKLx писал(а): получается таким образом можно будет подключить и тот же самый DH11 и подобные?
Хотя DH11 цифровой датчик, но тоже можно.
xKLx
Сообщения: 22
Зарегистрирован: Вт авг 25, 2015 1:46 pm

Re: Хаб для датчиков

Сообщение xKLx »

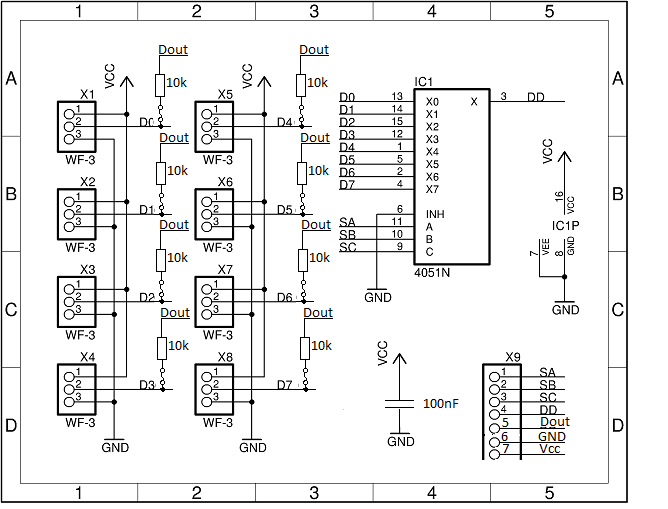
Получается с учетом всех правок вот так:
СхемаSPOILER_SHOW
sch2.png
sch2.png (96.75 КБ) 5932 просмотра
ПлатаSPOILER_SHOW
board2.png
board2.png (184.84 КБ) 5932 просмотра
Последний раз редактировалось xKLx Пт сен 11, 2015 2:09 pm, всего редактировалось 1 раз.
akouz
Сообщения: 254
Зарегистрирован: Ср июл 09, 2014 3:48 pm

Re: Хаб для датчиков

Сообщение akouz »

Желательно добавить керамический конденсатор 0.1 мкФ параллельно элекролиту.

Оба полигона лучше сделать земляными, а питание равести обычными дорожками. Земляные выводы деталей соединить с земляными полигонами на обоих слоях.
xKLx
Сообщения: 22
Зарегистрирован: Вт авг 25, 2015 1:46 pm

Re: Хаб для датчиков

Сообщение xKLx »

akouz писал(а):Желательно добавить керамический конденсатор 0.1 мкФ параллельно элекролиту.

Оба полигона лучше сделать земляными, а питание равести обычными дорожками. Земляные выводы деталей соединить с земляными полигонами на обоих слоях.
Так?
СхемаSPOILER_SHOW
board_09.10.15.png
board_09.10.15.png (16.81 КБ) 5712 просмотров
ПлатаSPOILER_SHOW
22.png
22.png (54.92 КБ) 5654 просмотра
3D вид =)SPOILER_SHOW
#2.PNG
#2.PNG (102.7 КБ) 5867 просмотров
Последний раз редактировалось xKLx Вс окт 11, 2015 3:26 am, всего редактировалось 5 раз.
akouz
Сообщения: 254
Зарегистрирован: Ср июл 09, 2014 3:48 pm

Re: Хаб для датчиков

Сообщение akouz »

Так лучше. Странно что у вас розовый полигон не залил свободное пространство под микросхемой. Я бы туда протянул земляной проводничок и поставил под микросхемой переходное отверстие, чтобы соединить в этом месте верхний и нижний земляные полигоны. Но это уже мелкие рюшечки, особой разницы нет.
xKLx
Сообщения: 22
Зарегистрирован: Вт авг 25, 2015 1:46 pm

Re: Хаб для датчиков

Сообщение xKLx »

akouz писал(а):Так лучше. Странно что у вас розовый полигон не залил свободное пространство под микросхемой. Я бы туда протянул земляной проводничок и поставил под микросхемой переходное отверстие, чтобы соединить в этом месте верхний и нижний земляные полигоны. Но это уже мелкие рюшечки, особой разницы нет.
Наконец-то дошли руки до платы, сделал её.
Но вот работает не так как предполагал. Считываю показания, без подключения датчика всё норм, показания почти равны 0, но стоит подключить допустим тот же самый щуп от датчика влажности земли с включенной перемычкой (подтяжка по дискретному выходу) то показания на всех 8 портах мультиплексора становятся равными.
Если подключить без перемычки и с использованием модуля YL-38 запитывая от 3-го пина разъёмов датчиков, то показания норм.
Ответить