Определить вкл или выкл прибор

Подключение исполнительных устройств, датчиков, контроллеров.

Модератор: immortal

Jilber
Сообщения: 719
Зарегистрирован: Ср май 03, 2017 7:41 pm

Re: Определить вкл или выкл прибор

Сообщение Jilber »

А если повесить на линию питания стиралки PZEM ?
skysilver
Сообщения: 3006
Зарегистрирован: Чт авг 21, 2014 8:28 am
Откуда: Киров, Россия
Контактная информация:

Re: Определить вкл или выкл прибор

Сообщение skysilver »

Jilber писал(а):А если повесить на линию питания стиралки PZEM ?
Его к МегаД не подключить. С той же есп8266 разве что.
MajorDoMo (GitHub) на Cubietruck. ОС Debian 7 (wheezy) (kernel 3.4.105) с переносом на HDD.
Мой CONNECT | Блоги | Telegram
Chainik
Сообщения: 1465
Зарегистрирован: Вс янв 10, 2016 11:05 am

Re: Определить вкл или выкл прибор

Сообщение Chainik »

А такой датчик может спасти "отца русской демократии"?
http://www.eltranstech.ru/products/izme ... t03s-200a/
skysilver
Сообщения: 3006
Зарегистрирован: Чт авг 21, 2014 8:28 am
Откуда: Киров, Россия
Контактная информация:

Re: Определить вкл или выкл прибор

Сообщение skysilver »

Chainik писал(а):А такой датчик может спасти "отца русской демократии"?
http://www.eltranstech.ru/products/izme ... t03s-200a/
Хороший вариант. Можно использовать как по порогу с обычным IN-портом МегаД, таки и совместно с АЦП МегаД, измеряя текущую силу тока.
MajorDoMo (GitHub) на Cubietruck. ОС Debian 7 (wheezy) (kernel 3.4.105) с переносом на HDD.
Мой CONNECT | Блоги | Telegram
Chainik
Сообщения: 1465
Зарегистрирован: Вс янв 10, 2016 11:05 am

Re: Определить вкл или выкл прибор

Сообщение Chainik »

А каким образом его подключить к Меге (ко входу)? (Прошу прощения за глупый вопрос.)
skysilver
Сообщения: 3006
Зарегистрирован: Чт авг 21, 2014 8:28 am
Откуда: Киров, Россия
Контактная информация:

Re: Определить вкл или выкл прибор

Сообщение skysilver »

Chainik писал(а):А каким образом его подключить к Меге (ко входу)? (Прошу прощения за глупый вопрос.)
Я бы сделал через промежуточное реле. Вместо 24В можно взять стандартные для МегаД 12 вольт и реле с катушкой на 12 В.

Или оптопару вместо реле можно воткнуть.
реле.png
реле.png (69.72 КБ) 4250 просмотров
MajorDoMo (GitHub) на Cubietruck. ОС Debian 7 (wheezy) (kernel 3.4.105) с переносом на HDD.
Мой CONNECT | Блоги | Telegram
Chainik
Сообщения: 1465
Зарегистрирован: Вс янв 10, 2016 11:05 am

Re: Определить вкл или выкл прибор

Сообщение Chainik »

Я правильно понимаю, что при срабатывании датчик выдает некое напряжение? Т.е., если подобрать резистор так, что датчик будет выдавать 12В, то можно подключить его к Меге через промежуточное реле с управляющим напряжением 12В?

("Чистый" гуманитарий. И слова "оптопара", "варистр", "гальваническая развязка" вгоняют меня в трансцендентное состояние...)
skysilver
Сообщения: 3006
Зарегистрирован: Чт авг 21, 2014 8:28 am
Откуда: Киров, Россия
Контактная информация:

Re: Определить вкл или выкл прибор

Сообщение skysilver »

Chainik писал(а):Я правильно понимаю, что при срабатывании датчик выдает некое напряжение? Т.е., если подобрать резистор так, что датчик будет выдавать 12В, то можно подключить его к Меге через промежуточное реле с управляющим напряжением 12В?
Не совсем. Резистор не выставляет напряжение на выходе, он задает порог в амперах (от 0.35 до 200А), при превышении которого переключится его выход (общий коллектор там). Соответственно если подключить к выходу датчика реле, то оно будет срабатывать при превышении порога, и переключаться обратно при снижении.
MajorDoMo (GitHub) на Cubietruck. ОС Debian 7 (wheezy) (kernel 3.4.105) с переносом на HDD.
Мой CONNECT | Блоги | Telegram
Chainik
Сообщения: 1465
Зарегистрирован: Вс янв 10, 2016 11:05 am

Re: Определить вкл или выкл прибор

Сообщение Chainik »

Можно совсем для "тупеньких". Т.е. на выходе датчик при срабатывании выдает +24В (или что)?
skysilver
Сообщения: 3006
Зарегистрирован: Чт авг 21, 2014 8:28 am
Откуда: Киров, Россия
Контактная информация:

Re: Определить вкл или выкл прибор

Сообщение skysilver »

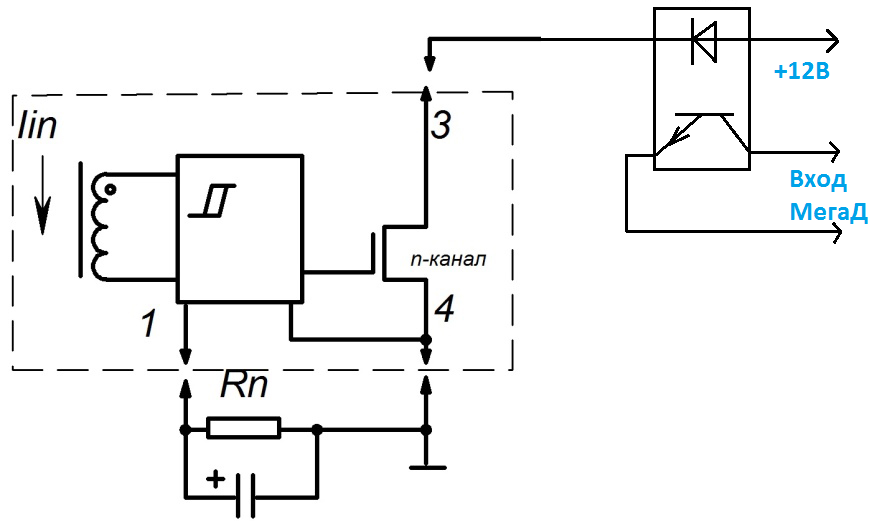
Chainik писал(а):Можно совсем для "тупеньких". Т.е. на выходе датчик при срабатывании выдает +24В (или что)?
Если брать такой вариант схемы, то ничего не выдает - там на выходе транзистор, он либо открыт, либо закрыт. Если к нему подключить оптопару или реле, то на выходе получаем логический 0 или 1, которые и подаем на дискретный вход МегаД.
оптопара.png
оптопара.png (64.09 КБ) 4228 просмотров
Есть у этого датчика другой выход - измерительный. Его можно подключить к АЦП входу МегаД, и тогда можно будет измерять силу тока. Вот на этом выходе уже будет напряжение, значение которого зависит от силы тока в измерительной цепи. Какой там диапазон этого напряжения, надо смотреть в даташите на датчик. На первый взгляд, больше типовых для МегаД 3.3В, поэтому напрямую его к АЦП МегаД не подключить.
MajorDoMo (GitHub) на Cubietruck. ОС Debian 7 (wheezy) (kernel 3.4.105) с переносом на HDD.
Мой CONNECT | Блоги | Telegram
Ответить