Разработка собственного железа

Alex
Сообщения: 2357
Зарегистрирован: Пт апр 20, 2012 12:53 pm

Re: Разработка собственного железа

Сообщение Alex »

В том-то всё и дело, что мои расчёты для некоторых датчиков (при 8 МГц) дают какие-то запредельные результаты типа 6+ лет автономной работы. На этом фоне что-то мудрить с частотой я не вижу особого смысла. Хотя можно конечно, если кто-то приведёт веские цифры на этот счёт.
kalina
Сообщения: 180
Зарегистрирован: Пн фев 22, 2016 11:01 pm

Re: Разработка собственного железа

Сообщение kalina »

Alex писал(а):Позволю себе немного покритиковать (если что не обращайте внимания на моё ворчание). Получилось аляповато и как-то «колхозно». Я бы посоветовал за образец взять оформление «фирменных» роутеров.
Большое спасибо за критику. Хотелось бы ещё большей критики, и не только по внешнему дизайну, но и по железу. Думаю, что критика - это то, что дает устройству толчок в развитии.
Теперь по сути, в приведённом дизайне я преследовал две цели - разбавить унылый черный цвет корпуса(многие сразу скажут, а зачем ты брал его черный, а потом разукрашивал? могу на это ответить - в белом цвете не нашёл) и проинформировать про наличие в устройстве приведенных интерфейсов. Я, конечно, не профессиональный дизайнер, так что получилось как-то так. Не думаю что он должен быть в стиле фирменного роутера, всё-таки на базе ардуино...Короче, время покажет.
Alex писал(а):Рекомендации: уменьшить размер шрифта и логотипов, отказаться от наклонного начертания, один из цветов сделать светло-серым, шрифт взять более традиционный.
Не будет ли это напоминать что-то советское?
Alex писал(а):И вопрос: как вы наносили надписи на корпус?
Заказывал у полиграфистов печать на самоклейке Oracal.
Наклейка.jpg
Наклейка.jpg (416.64 КБ) 7692 просмотра
Raspberry PI3 + образ 3.31 | MDMSGate | Lighting | LightingX2 | Power | Multisensor
serghei
Сообщения: 2575
Зарегистрирован: Пт ноя 06, 2015 10:22 am
Откуда: Кишинёв

Re: Разработка собственного железа

Сообщение serghei »

Чтобы все наши проблемы свелись к цвету корпуса и шрифту...( я думаю надо делать вообще шелкографию. Вот только чтоб со временем не стиралась) .Меня больше всего волнует софт , который будет крутится в этом девайсе. Очень хотелось бы что бы настройки свелись к минимуму. Скачать модуль MySensor , включить гейт , все сенсоры ну и руками прописать какой то минимум настроек. Сценарии конечно не рассматриваю - у каждого будут свои. А вот интересно - будут ли конфликты между сенсорами для АМС и MySensor ? В АМС разные сенсоры развел но всем 6 трубам и каждый из трех серверов видит только свои датчики.
AMS : ESP32 + NRF24 + 1Wire-I2C мост DS2482 + счетчик DS2423 + сеть MySensors + редактирование страниц в браузере + Upload по воздуху + SPIFFS
Alex
Сообщения: 2357
Зарегистрирован: Пт апр 20, 2012 12:53 pm

Re: Разработка собственного железа

Сообщение Alex »

Не будет ли это напоминать что-то советское?
:) Скорее американское или тайваньское. Результат зависит от композиции, размеров элементов, гармоничного баланса между занятым пространством и свободным и т. д. У вас бросается в глаза перегруженность элементами и слабая сочетаемость между ними. Но это так, мысли вслух.
А вот интересно - будут ли конфликты между сенсорами для АМС и MySensor ?
Интересный вопрос, нужно провести эксперименты.
В АМС разные сенсоры развел но всем 6 трубам и каждый из трех серверов видит только свои датчики.
Манипуляция трубами позволяет создавать различные варианты взаимодействия между АМС-ами (их может быть много) и сенсорами. Проблема в какой-то стандартизации и упрощении этого взаимодействия.
serghei
Сообщения: 2575
Зарегистрирован: Пт ноя 06, 2015 10:22 am
Откуда: Кишинёв

Re: Разработка собственного железа

Сообщение serghei »

Про конфликты сенсоров я упомянул не случайно. Дома запустил ЕСП+NRF24 версия АМС_015 для одного сенсора с каруселью и на Дуе 016 АМС с 5-ю сенсорами . Так вот температура с 016 попадает в 015 версию и присваевается как переменная nrf1Temp1. Пришлось на втором сервере задействовать Node3 и Node4.
AMS : ESP32 + NRF24 + 1Wire-I2C мост DS2482 + счетчик DS2423 + сеть MySensors + редактирование страниц в браузере + Upload по воздуху + SPIFFS
Alex
Сообщения: 2357
Зарегистрирован: Пт апр 20, 2012 12:53 pm

Re: Разработка собственного железа

Сообщение Alex »

Так вот температура с 016 попадает в 015 версию и присваевается как переменная nrf1Temp1.
В новой версии сетевого стека эти проблемы решены — пакеты автоматически разгребаются по адресам, типам устройств и номерам (температурный датчик 1, 2, 3, датчик протечки 1, 2 и т. д.).
beavisgood
Сообщения: 51
Зарегистрирован: Пт дек 18, 2015 5:42 pm

Re: Разработка собственного железа

Сообщение beavisgood »

На сайте для заказа плат увидел вот такой проект
http://www.pcbway.com/project/share/Blu ... nsors.html
Linux DietPi, OrangePi-PC, MyMegaD328
Connect: http://connect.smartliving.ru/profile/689
Ivan
Сообщения: 1474
Зарегистрирован: Сб окт 12, 2013 11:03 pm

Re: Разработка собственного железа

Сообщение Ivan »

beavisgood писал(а):На сайте для заказа плат увидел вот такой проект
http://www.pcbway.com/project/share/Blu ... nsors.html
Это Bluetooth, 5 метров радиус уверенной работы
Linux, Raspberry PI, MySensors
Connect: http://connect.smartliving.ru/profile/53
Мои проекты: http://smartliving.ru/profile/4
akouz
Сообщения: 254
Зарегистрирован: Ср июл 09, 2014 3:48 pm

Re: Разработка собственного железа

Сообщение akouz »

Ivan писал(а): Это Bluetooth, 5 метров радиус уверенной работы
А везде пишут, что больше 100 м.
kalina
Сообщения: 180
Зарегистрирован: Пн фев 22, 2016 11:01 pm

Re: Разработка собственного железа

Сообщение kalina »

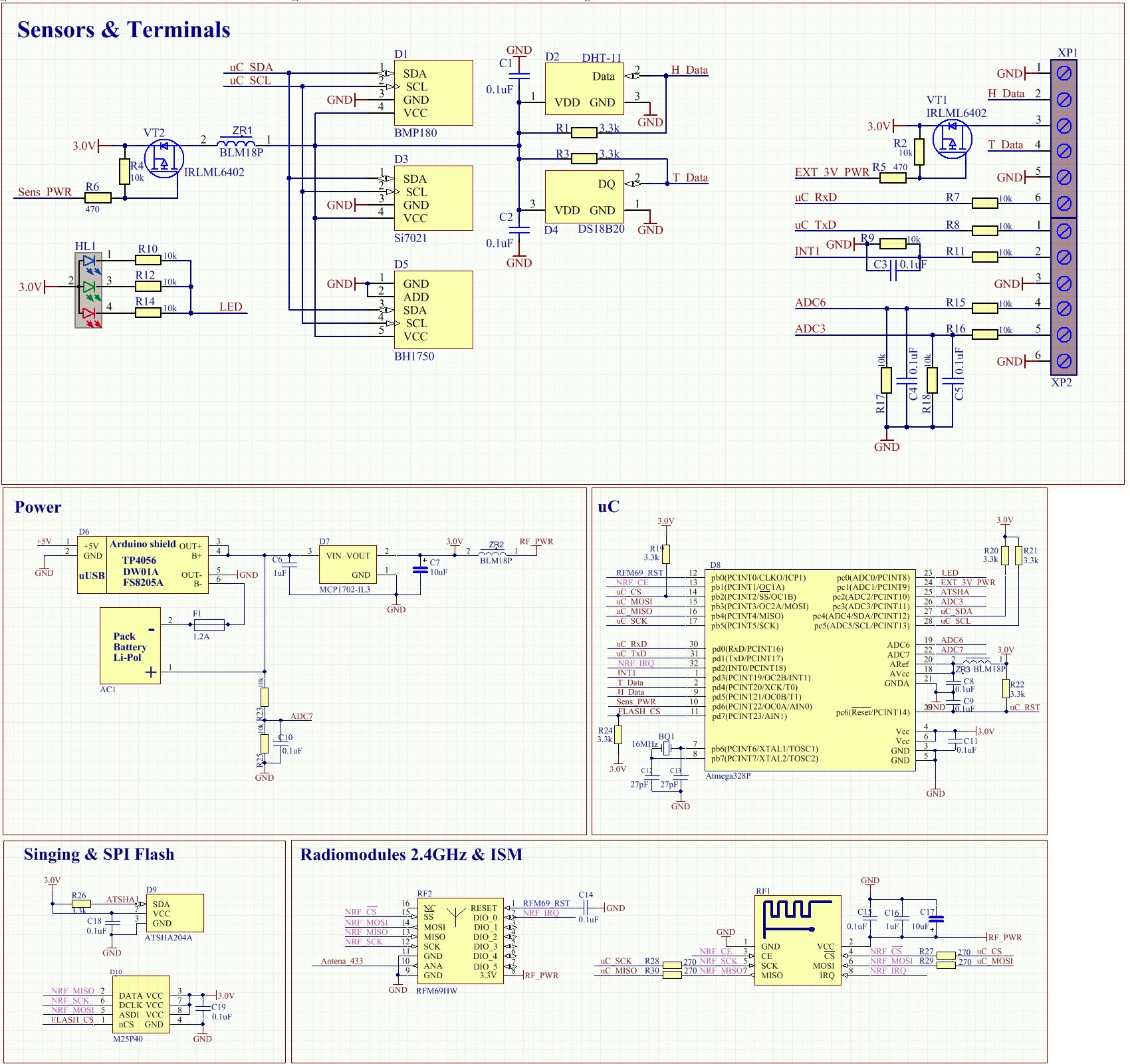
Хочу поделиться набросками и обсудить MDMSMultisensor.
Ниже привожу схемку. Прошу не придираться к номиналам (резисторы, кондёры ..) т.к. делал копипаст, ещё буду править.
SPOILERSPOILER_SHOW
MDMSMultisensor.jpg
MDMSMultisensor.jpg (783.12 КБ) 7420 просмотров
Итак, как я указывал ранее, аккумулятор Li-Pol 1.2A, зарядка вот такая (USB разъём будет выведен сбоку в корпусе), линейник и делитель для мониторинга аккумулятора. Корпус вот такой. Набор датчиков вполне знакомый, легко можно нагуглить. Питание датчиков осуществлено через полевик. Также дополнительным полевиком осущестлвяется коммутация внешних 3.0В. На плате, в нижней части, будут установлены два вот таких клемника(общее количество контактов =12). В корпусе будет выфрезерованно окно, разъём установлен внутри, заподлицо с внешней стороной корпуса. Как во всех предидущих устройствах предусмотрено установку одного из радиомодулей nRF24L01 или RFM69. Обязательно память + микросхема шифрования. Дополнительно поставил RGB светодиод + 3 резистора (точнее посадочных места), каждый сможет на выбор использовать необходимый ему цвет (либо вообще не использовать). Сигнальные линии датчиков DS18B20 и DBT11 продублированы на клемник, также на клемнике присутствует UART, 2 канала АЦП + делитель, прерывание INT1, ну и, конечно, земля.

Есть пару вопросов:

1. Может повесить питание микросхемам памяти и шифрования на питание датчиков, чтоб не жрали ничего в основное время?
2. Как поступить с питанием радиомодуля (одного из...)? Возможно просто использовать спящий режим и этого будет достаточно?

PS: В самое ближайшее время покажу прорисовку в 3D...
Последний раз редактировалось kalina Сб сен 24, 2016 11:14 pm, всего редактировалось 1 раз.
Raspberry PI3 + образ 3.31 | MDMSGate | Lighting | LightingX2 | Power | Multisensor
Ответить