Опыт отопления в собственном доме и увязка с умным домом
Модератор: immortal
Опыт отопления в собственном доме и увязка с умным домом
Предыстория:
Дело происходит в Новосибирске.
В 2016 году начал я эпопею с собственным домом - а именно купил участок, на котором был газ(по границе участка).
за зиму был спроектирован дом. за зиму были найдены поставщики материала. дом каркасный.
за 2017 год на участке был построен каркас(дом 250 кв.м.) и запущена туда пожить теща, в частично отапливаемом доме(60 кв.м.).отопление на эту зиму было электрическое.
в мае 2018 года мы заехали с семьей в недоделанный дом. и занялись дальнейшей стройкой.
Система отопления
Классическая система отопления современного частного дома состоит из котла, теплого пола для 1-го этажа и системы батарей для второго этажа.
Возможно 1 этаж так же будет дополнен батареями, но это в случае сильного перегрева пола для поддержания комфортной температуры. (хотя это уже наврятли, потому что на этой неделе было -23 градуса, а температура обратки теплого пола стояла на 25 градусах в зале температура упала до 20 градусов)
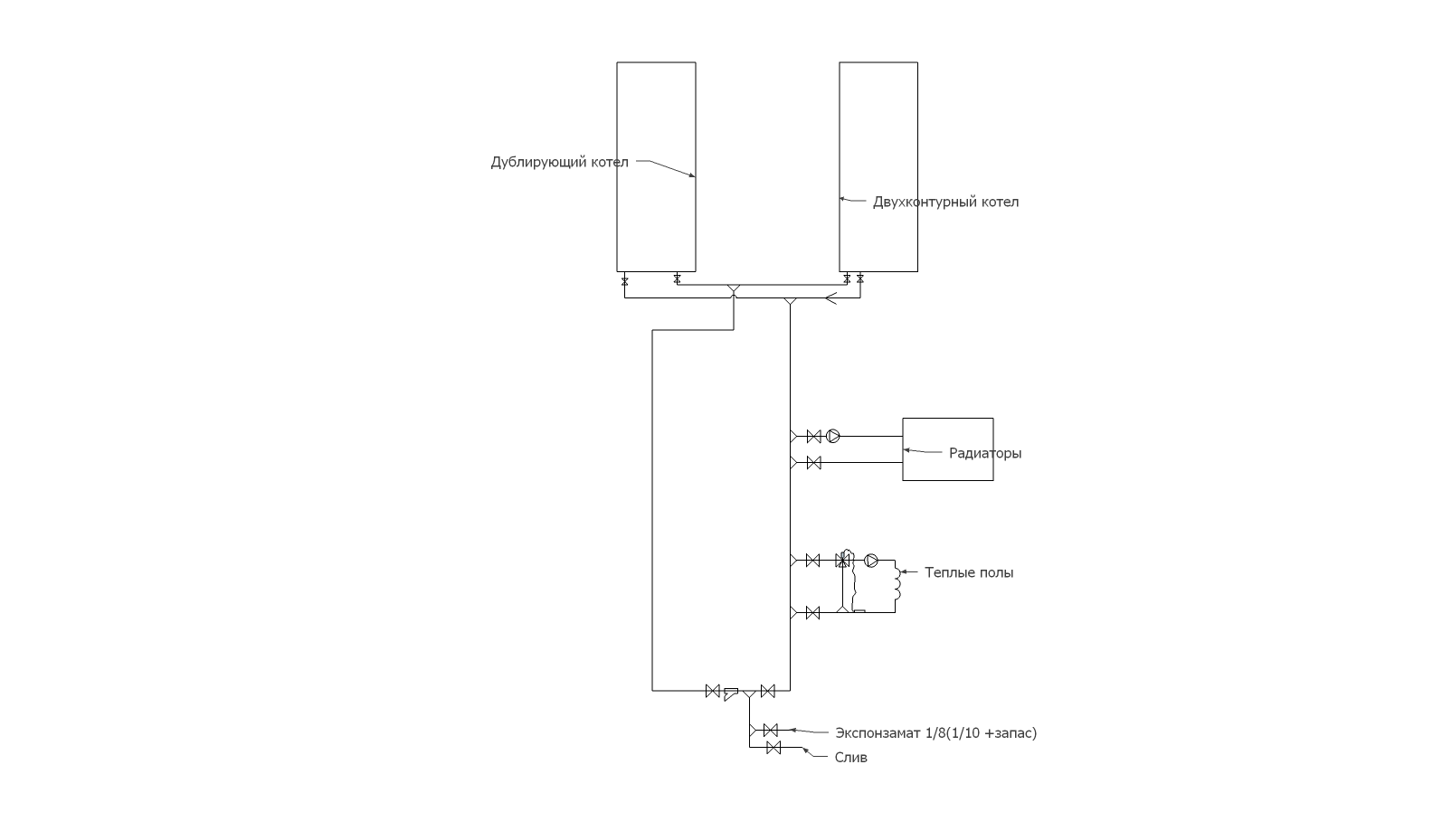
Котел: я купил конденсационный двухконтурный котел Navien NCN-40KN.
почему:
1. цена. уж очень сладкую цену на него предложили (36 тыс рублей)
2. Очень хорошая модуляция горелки(7-38 кВт)по моим прикидкам максимальная необходимая мне мощность на отопление составит 24кВт. а у меня 39 кВт, чтобы агрегат не тактовал, изменение мощности горелки (в любом значении, а не 3-4 режима как предлагают многие производители) я посчитал очень разумной затеей.
3. У котла сразу есть погозависимая автоматика и комнатный выносной термостат.
Сама система отопления
Для реализации работы батарей и теплого пола была выбрана система первично-вторичных колец.(спасибо каналу Тепло-вода на Ютуб)
Первый потребитель на кольце - батареи Второго этажа, собранные по попутной схеме(петля Тихельнама).
Второй потребитель - смесительный узел с трехходовым клапаном с выносным датчиком установленным на обратке и коллекторы на 12 линий теплого пола.теплый пол в стяжке, т.к. дому нужен теплоаккумулятор.
На всех батареях поставлены термоголовки.
Полностью аналоговая схема работы колец:
По первичному кольцу котел гоняет теплоноситель, большинство этого теплоносителя отнимает насос который гонит воду по трубам второго этажа, если какая-то из батарей открыта то часть тепла теряется и теплоноситель приходит более холодный .если на втором этаже везде тепло, то теплоноситель приходит ко второму потребителю не остывшим.
Второй потребитель подключен через смесительный узел и часть теплоносителя пошла в пол, часть прошла мимо (а может и вся).
Дело происходит в Новосибирске.
В 2016 году начал я эпопею с собственным домом - а именно купил участок, на котором был газ(по границе участка).
за зиму был спроектирован дом. за зиму были найдены поставщики материала. дом каркасный.
за 2017 год на участке был построен каркас(дом 250 кв.м.) и запущена туда пожить теща, в частично отапливаемом доме(60 кв.м.).отопление на эту зиму было электрическое.
в мае 2018 года мы заехали с семьей в недоделанный дом. и занялись дальнейшей стройкой.
Система отопления
Классическая система отопления современного частного дома состоит из котла, теплого пола для 1-го этажа и системы батарей для второго этажа.
Возможно 1 этаж так же будет дополнен батареями, но это в случае сильного перегрева пола для поддержания комфортной температуры. (хотя это уже наврятли, потому что на этой неделе было -23 градуса, а температура обратки теплого пола стояла на 25 градусах в зале температура упала до 20 градусов)
Котел: я купил конденсационный двухконтурный котел Navien NCN-40KN.
почему:
1. цена. уж очень сладкую цену на него предложили (36 тыс рублей)
2. Очень хорошая модуляция горелки(7-38 кВт)по моим прикидкам максимальная необходимая мне мощность на отопление составит 24кВт. а у меня 39 кВт, чтобы агрегат не тактовал, изменение мощности горелки (в любом значении, а не 3-4 режима как предлагают многие производители) я посчитал очень разумной затеей.
3. У котла сразу есть погозависимая автоматика и комнатный выносной термостат.
Сама система отопления
Для реализации работы батарей и теплого пола была выбрана система первично-вторичных колец.(спасибо каналу Тепло-вода на Ютуб)
Первый потребитель на кольце - батареи Второго этажа, собранные по попутной схеме(петля Тихельнама).
Второй потребитель - смесительный узел с трехходовым клапаном с выносным датчиком установленным на обратке и коллекторы на 12 линий теплого пола.теплый пол в стяжке, т.к. дому нужен теплоаккумулятор.
На всех батареях поставлены термоголовки.
Полностью аналоговая схема работы колец:
По первичному кольцу котел гоняет теплоноситель, большинство этого теплоносителя отнимает насос который гонит воду по трубам второго этажа, если какая-то из батарей открыта то часть тепла теряется и теплоноситель приходит более холодный .если на втором этаже везде тепло, то теплоноситель приходит ко второму потребителю не остывшим.
Второй потребитель подключен через смесительный узел и часть теплоносителя пошла в пол, часть прошла мимо (а может и вся).
- Вложения
-
- Схема котельной4.png (21.73 КБ) 5910 просмотров
-
- Теплый пол.png (50.57 КБ) 5910 просмотров
-
- Батареи 2 этаж.png (35.85 КБ) 5910 просмотров
-
- 2 этаж.png (49.23 КБ) 5910 просмотров
-
- 1 этаж.png (67.31 КБ) 5910 просмотров
Re: Опыт отопления в собственном доме и увязка с умным домом
Компания которая обслуживает газовый котел запускала его в начале сентября.
Погода на улице была плюсовая и внутри дома была полны плюс. поэтому всю автоматику к котлу не подключили и я смог поиграться с котлом без всех этих наворотов.
Если кому интересно как работает котел:
1. если к котлу не подключен термостат и погодозависимая автоматика, то его работа проста:
На регуляторе установлена температура теплоносителя - Т
Котел смотрит температуру на подаче и на обратке, если температура выросла больше Т, то отключаем горелке.
как только потушили горелку следим за температурой на обратке, если они упала ниже чем Т-20, то включаемся снова.
2. если к котлу подключена погодная автоматика(в данному случае датчик температуры на улица (автоматика внутри)
то выбор температуры теплоносителя для нас недоступен. система просто предлагаем нам одну из кривых зависимости температуры теплоносителя в зависимости от погоды: пример

регуляторы начинает регулировать число соотвествующее номеру графика. Внимание: число подбирается имперически!! в зависимости от теплопотерь вашего дома. у меня стоит К=1 сейчас (опытным путем пока стоит такой)
3.Комнатный термостат: Мерит температуру в том месте где её установили и если температура выше чем заданная на термостате запрещает работу котла. т.е. обратка падает ниже чем Т-20 , но котлу это по барабану.
Модуляция горелки котла:
Кстати, модуляция горелки вещь интересная, но как оказалось не нужная обычному потребителю.
Почему?
В вышеописанных вещах я не написал ничего про горелку. а знаете почему? потому что горелка или включается или не включается.
котел не знает сколько у Вас в системе воды и не знает Ваших теплопотерь, она не может угадать с какой мощностью ей надо включится.
И мощность горелки регулируется вручную!!
эта опция интересна для приготовления воды ГВС. там это работает и там это важно.
Погода на улице была плюсовая и внутри дома была полны плюс. поэтому всю автоматику к котлу не подключили и я смог поиграться с котлом без всех этих наворотов.
Если кому интересно как работает котел:
1. если к котлу не подключен термостат и погодозависимая автоматика, то его работа проста:
На регуляторе установлена температура теплоносителя - Т
Котел смотрит температуру на подаче и на обратке, если температура выросла больше Т, то отключаем горелке.
как только потушили горелку следим за температурой на обратке, если они упала ниже чем Т-20, то включаемся снова.
2. если к котлу подключена погодная автоматика(в данному случае датчик температуры на улица (автоматика внутри)
то выбор температуры теплоносителя для нас недоступен. система просто предлагаем нам одну из кривых зависимости температуры теплоносителя в зависимости от погоды: пример

регуляторы начинает регулировать число соотвествующее номеру графика. Внимание: число подбирается имперически!! в зависимости от теплопотерь вашего дома. у меня стоит К=1 сейчас (опытным путем пока стоит такой)
3.Комнатный термостат: Мерит температуру в том месте где её установили и если температура выше чем заданная на термостате запрещает работу котла. т.е. обратка падает ниже чем Т-20 , но котлу это по барабану.
Модуляция горелки котла:
Кстати, модуляция горелки вещь интересная, но как оказалось не нужная обычному потребителю.
Почему?
В вышеописанных вещах я не написал ничего про горелку. а знаете почему? потому что горелка или включается или не включается.
котел не знает сколько у Вас в системе воды и не знает Ваших теплопотерь, она не может угадать с какой мощностью ей надо включится.
И мощность горелки регулируется вручную!!
эта опция интересна для приготовления воды ГВС. там это работает и там это важно.
Re: Опыт отопления в собственном доме и увязка с умным домом
А теперь к проблемам и поставке задач:
1. Когда температура на улице стала чуть ниже 8 градусов и потребовалось отопление.
почуствовался интересный эффект:
при установке обратки теплого пола на 21 градус, комнаты первого этажа быстро перегревались и доходили до температуры 24.
Во первых это было не комфортно жарко, а во вторых они отключали термостат и батареям не доставалось нагретой воды. на втором этаже стало заметно прохладно.
разные настройки никак не помогали, то недогрев второго этажа, то перегрев первого.
когда температура за бортом упала ниже -5 градусов проблем исчезла.
однако межсезонье в Новосибирске длинная пора эту проблему необходимо решать.
Это проблема №1.
Проблема №2 - это какую температуру надо держать на обратке в зависимости от погоды?
И самое важно - это надо делать ручками. при аналоговом регулировании
Для адекватной работы системы теперь необходимо отключить комнатный термостат
Для работы первично-вторичных колец в первичном кольце всегда должен быть нагретый теплоноситель, тем более это важно если кто-то подключит бойлер косвенного нагрева. Тогда работа первичного кольца будет зависеть от погодозависимой автоматики. этого хватит.
Радиаторный контур так же гоняет в себе нагретую воду. в этом случае хорошо работают трубы ППР и/или теплоизолция, для того чтобы трубы не грел самостоятельно помещение.
С теплыми полами все немного иначе, тут два варианта:
1. С покомнатной автоматикой
С покомнатной автоматикой, нужно на все контура иметь термоголовки и во всех комнатах иметь термометры для управления головки, плюс нужен блок взаимоувязки этих вещей.
2. Без автоматики.
Выбираем одну комнату за эталонную в ней ставим термостат. по ней работает
головка трехходового смешения: например https://valtec.ru/catalog/elementy_avto ... 30610.html
в остальных комнатах добиваемся нужных температур с помощью расходомеров.(т.е. уменьшая количество воды греющих комнаты).
1. Когда температура на улице стала чуть ниже 8 градусов и потребовалось отопление.
почуствовался интересный эффект:
при установке обратки теплого пола на 21 градус, комнаты первого этажа быстро перегревались и доходили до температуры 24.
Во первых это было не комфортно жарко, а во вторых они отключали термостат и батареям не доставалось нагретой воды. на втором этаже стало заметно прохладно.
разные настройки никак не помогали, то недогрев второго этажа, то перегрев первого.
когда температура за бортом упала ниже -5 градусов проблем исчезла.
однако межсезонье в Новосибирске длинная пора эту проблему необходимо решать.
Это проблема №1.
Проблема №2 - это какую температуру надо держать на обратке в зависимости от погоды?
И самое важно - это надо делать ручками. при аналоговом регулировании

Для адекватной работы системы теперь необходимо отключить комнатный термостат
Для работы первично-вторичных колец в первичном кольце всегда должен быть нагретый теплоноситель, тем более это важно если кто-то подключит бойлер косвенного нагрева. Тогда работа первичного кольца будет зависеть от погодозависимой автоматики. этого хватит.
Радиаторный контур так же гоняет в себе нагретую воду. в этом случае хорошо работают трубы ППР и/или теплоизолция, для того чтобы трубы не грел самостоятельно помещение.
С теплыми полами все немного иначе, тут два варианта:
1. С покомнатной автоматикой
С покомнатной автоматикой, нужно на все контура иметь термоголовки и во всех комнатах иметь термометры для управления головки, плюс нужен блок взаимоувязки этих вещей.
2. Без автоматики.
Выбираем одну комнату за эталонную в ней ставим термостат. по ней работает
головка трехходового смешения: например https://valtec.ru/catalog/elementy_avto ... 30610.html
в остальных комнатах добиваемся нужных температур с помощью расходомеров.(т.е. уменьшая количество воды греющих комнаты).
Re: Опыт отопления в собственном доме и увязка с умным домом
Дом весь напичкан датчикам от компании Xiaomi и на улице тоже стоит датчик и в подполе тоже. с начала сентября я выгружаю данные по температуре, давлению, и влажности в заббикс. поэтому могу проводить различную аналитику.
Блог кончился пошли вопросы к опытным :
1. Какую температуру надо держать на обратке в термосмесительном узле теплых полов в зависимости от погоды?
может стоит ориентироваться на тот же валтек?
https://valtec.ru/document/technical/VT ... grafik.jpg
Покомнатная автоматика теплого пола.у меня 12 линий теплого пола
Стандартная схема: термостаты, коробка, термоголовки...
2. Как не разориться? чьи решения более менее дешевые.
3. Как это увязать с умным домом? есть желание брать данные с уже купленных датчиков, но встает вопрос в реле и т.п.
4. Знает кто-нибудь более дешевое головку чем вот эту: https://valtec.ru/catalog/elementy_avto ... 30610.html
уж больно цена кусучая. там еще и контроллер нужно с аналоговым выходом на 10 вольт.
Блог кончился пошли вопросы к опытным :
1. Какую температуру надо держать на обратке в термосмесительном узле теплых полов в зависимости от погоды?
может стоит ориентироваться на тот же валтек?
https://valtec.ru/document/technical/VT ... grafik.jpg
Покомнатная автоматика теплого пола.у меня 12 линий теплого пола
Стандартная схема: термостаты, коробка, термоголовки...
2. Как не разориться? чьи решения более менее дешевые.
3. Как это увязать с умным домом? есть желание брать данные с уже купленных датчиков, но встает вопрос в реле и т.п.
4. Знает кто-нибудь более дешевое головку чем вот эту: https://valtec.ru/catalog/elementy_avto ... 30610.html
уж больно цена кусучая. там еще и контроллер нужно с аналоговым выходом на 10 вольт.
Re: Опыт отопления в собственном доме и увязка с умным домом
Ну у меня все решено проще. Тоже два этажа: первый - теплый пол, второй - батареи. Котел двухконтурный Westen Pulsar. Стоит узел Herz для подмеса теплоносителя в теплый пол. На батареях есть термоголовки с ручным управлением, но я их не трогаю. Котел управляется недельным термостатом Seitron. Все это работает автономно от умного дома по программе термостата. Датчики температуры во всех комнатах и на контуре теплоносителя только для контроля системы. У термостата есть управляющий вход для перевода его в режим "комфорта" из любого режима. Это релейный вход и подключен к умному дому. Использую если надо разогреть дом к приезду. Система отстроена и каких то текущих регулировок не делается.
Ubuntu Server 16.04 LTS, OpenWRT 1-wire, SonOFF, MYSensors, MiHome, Yeelight, MiFlower
Re: Опыт отопления в собственном доме и увязка с умным домом
а какая из этих систем стоит? http://heiz.ru/catalog/uzly-podmesa-i-klapany/
и какая температура выставлена на термоголовке?
и какая температура выставлена на термоголовке?
Re: Опыт отопления в собственном доме и увязка с умным домом
Вроде такой http://heiz.ru/catalog/uzly-podmesa-i-klapany/692.html но головка не такая. Брал больше десяти лет назад. Возможно они обновили. Узел стоит в обвесе с циркуляционным насосом. Температура выставлена на 40 градусов. Шесть контуров. На них выставлен постоянный проток.
Ubuntu Server 16.04 LTS, OpenWRT 1-wire, SonOFF, MYSensors, MiHome, Yeelight, MiFlower